0
Ваша Корзина
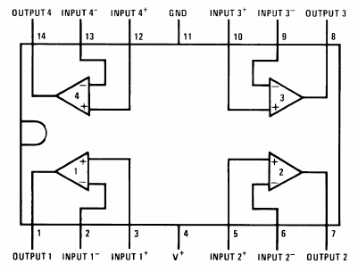
LM324DRG3 – Описание
Микросхема LM324DR представляет собой четыре независимых частотно-компенсированных операционных усилителя с высоким коэффициентом усиления, заключенных в общий корпус SOIC-14. Структура усилителей специально предназначена для работы от однополярного источника питания с напряжением до 32 В или от двухполярного ±16 В.
Диапазон напряжений по входам операционного усилителя LM324DR включает в себя нулевой уровень, что в случае однополярного питания позволяет напрямую измерять уровни сигналов вблизи нулевых значений. Полоса пропускания при единичном усилении составляет 1,2 МГц.
- Диапазон входного напряжения включает нулевой уровень;
- Входное напряжение сдвига: 3 мВ;
- Входной ток сдвига: 2 нА;
- Входной ток смещения: -20 нА;
- Однополярное напряжение питания: 32 В;
- Двухполярное напряжение питания: ±16 В;
- Усиление без отрицательной обратной связи: 100 В/мВ;
- Внутренняя частотная компенсация;
- Температурный диапазон: 0…+70 °C;
- Корпус: SOIC-14.

