0
Ваша Корзина
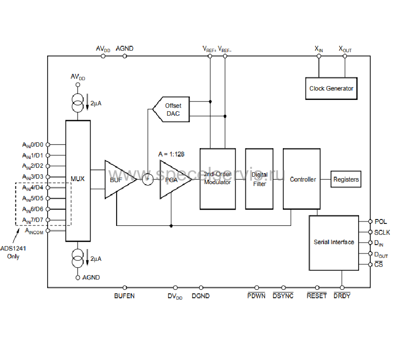
ADS1241E/1K – Описание
Аналогово-цифровой преобразователь ADS1241E/1K
24-разрядный 8-канальный дельта-сигма АЦП
Технические характеристики:
- Корпус - SSOP28
- Тип упаковки - Tape and Reel (лента в катушке)
- Архитектура - Sigma-Delta
- Разрядность - 24
- Скорость преобразования (в секунду) - 15
- Число входов - 8
- Тип входа - Differential, Single Ended
- Выходной интерфейс данных - SPI
- Число преобразователей - 1
- Источник опорного напр. (внутр./внешн.) - External
- Рабочая температура: -40°C.....85°C
- Вес - 1,7 г
