0
Ваша Корзина
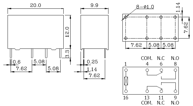
TRSB-24VDC-SB-L20-R – Описание
Сигнальное реле TRSB-24VDC-SB-L20-R
Электромагнитное/сигнальное реле. Материал: AgNi+Au
Основные характеристики:
- Габариты - 20,2х10,0х11,5 мм
- Способ монтажа: допустима смывка
- Контакты из сплава серебра с золотым покрытием
- Номинальная мощность катушки с высокой чувствительностью: 0,15 Вт (L15) или 0,20 Вт (L20)
- Соответствует стандартам UL и cUL (Е156521)
- Напряжение обмотки - 24VDC
- Коммутируемый ток - 2А
- Напряжение срабатывания 80% от номинального напряжения
- Напряжение отпускания 5% от номинального напряжения
- Максимально допустимое рабочее напряжение 150% от номинального напряжения
- Вес - 4.8 г

| Модель | Номин. напряжение, В | Номин. ток, мА | Сопротивление катушки, Ом (±10%) | Потребляемая мощность, Вт |
| TRSB-L15 TRSB-L20 |
5 | 29.9 / 40 | 167 / 125 | 0.15 / 0.20 |
| 12 | 12.5 / 16.7 | 960 / 720 | 0.15 / 0.20 | |
| 24 | 8.3 | 2880 | 0.20 |
| Значения параметров | 0.5 А, 125 B (AC) 2 A, 28 B (DC) |
| Макс. допуст. ток | 2 А |
| Макс. допуст. напряжение | 125 B (AC), 28 B (DC) |
| Макс. допуст. мощность | 62,5 ВА, 56 Вт |
| Сопротивление контактов, мОм | 100 |
| Время срабатывания, мс | 6 |
| Время отпускания, мс | 5 |
| Напряжение пробоя между катушкой и контактом в теч. 1 мин., В | 1000 |
| Напряжение пробоя между контактами в теч. 1 мин., В | 500 |
| Сопротивление изоляции, МОм (при 500 В) | 1000 |
| Макс. количество срабатываний | 300 операций/мин. |
| Рабочая температура, °С | -30 +70 |
| Относительная влажность, % | 45-85 |
| Макс. повышение температуры обмотки, °С | 40 |
| Ударопрочность | 100G |
| Механический ресурс срабатывания | 1х108 |
