TRB1-12VDC-SA-CL-R – Описание
Телекоммуникационные реле семейства TRB1 конструктивно выполнены в герметичном корпусе с одной переключающей группой контактов (SPDT) и рассчитаны на коммутацию тока силой до 3 А, что соответствует мощности в нагрузке 360 ВА или 90 Вт. Внутри семейства реле разделяются на версии со стандартной катушкой (D, 0,36 Вт) и малопотребляющие (L, 0,2 Вт).
Кроме компактных размеров, реле TRB1 отличаются также малым весом, увеличенным механическим ресурсом срабатываний, высокой скоростью переключения и устойчивостью к ударным нагрузкам с ускорением не менее 10 g.
- Конфигурация контактной группы: 1 Form C (SPDT);
- Покрытие контактов: золото;
- Нагрузочная способность контактов: 3 А (120 В AC, 24 В DC);
- Максимально допустимое напряжение на контактах: 240 В AC, 60 В DC;
- Максимально допустимый ток через контакты: 3 А;
- Максимально допустимая мощность в нагрузке: 360 ВА, 90 Вт;
- Сопротивление контактов: 100 мОм;
- Время срабатывания: 5 мс;
- Время отпускания: 5 мс;
- Напряжение срабатывания: 75 % от номинального напряжения;
- Напряжение отпускания: 10 % от номинального напряжения;
- Максимально допустимое рабочее напряжение: 110% от номинального напряжения;
- Напряжение пробоя между катушкой и контактом: 500 В (1 мин);
- Напряжение пробоя между контактами: 500 В (1 мин);
- Число механических срабатываний: не менее 300 операций/мин;
- Число электрических срабатываний: не менее 30 операций/мин;
- Механический ресурс срабатываний: 1х107;
- Сопротивление изоляции: 100 МОм (500 В);
- Повышение температуры обмотки: не более 40 °С;
- Относительная влажность: 45…85 %;
- Устойчивость к ударным нагрузкам: не менее 10 g;
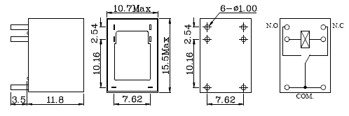
- Габариты корпуса: 15,7х10,4х11,7 мм;
- Вес: 3,5 г;
- Рабочая температура: -25…+55 °С;
- Соответствует стандартам UL и cUL (Е156521);
- Соответствует директиве RoHS.
Области применения: телекоммуникационное оборудование, микропроцессорное управление, системы «умный дом».

Параметры обмотки реле TRB1
|
Модель |
UНОМ, В |
IНОМ, мА |
RКАТ, Ом (±10 %) |
PНОМ, Вт |
|
TRB1-05VDC-SA-CD-R |
5 |
71,4 |
69 |
0,36 |
|
TRB1-12VDC-SA-CD-R |
12 |
30 |
400 |
0,36 |
|
TRB1-24VDC-SA-CD-R |
24 |
15 |
1600 |
0,36 |
|
TRB1-05VDC-SA-CL-R |
5 |
40 |
125 |
0,2 |
|
TRB1-12VDC-SA-CL-R |
12 |
16,7 |
720 |
0,2 |
|
TRB1-24VDC-SA-CL-R |
24 |
8,3 |
2880 |
0,2 |
