0
Ваша Корзина
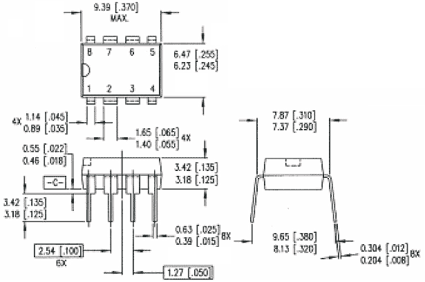
PVT422PBF – Описание


| Управляющий ток, мА | 2-25 |
| Макс. ток нагрузки, мА | 120 |
| Макс. сопротивление в открытом состоянии, Ом | 35 |
Бесплатно по России


| Управляющий ток, мА | 2-25 |
| Макс. ток нагрузки, мА | 120 |
| Макс. сопротивление в открытом состоянии, Ом | 35 |