0
Ваша Корзина
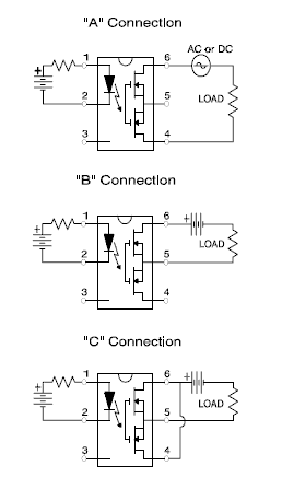
PVT412LSPBF – Описание


| Вид подключения | А | В | С |
| Управляющий ток, мА | 3-25 | ||
| Макс. ток нагрузки, мА | 120 | 130 | 200 |
| Макс. сопротивление в открытом состоянии, Ом | 35 | 18 | 9 |
| Ограничение тока, мА | 130-220 | - | 220-440 |
| Температурное отклонение напряжения, мкВ | 0.5 | ||
