PRAG71S – Описание
Твердотельное реле PRAG71S
Выполняются с оптической развязкой в SOP-корпусах для поверхностного монтажа.
Применяются в телекоммуникации, связи, системах безопасности.
Основные преимущества твердотельных оптореле в корпусах SOP: - поставка в упаковке для автоматизированного монтажа на платы: в блистер-ленте на катушках по 1000 шт. или антистатических пеналах по 100 шт. (SOP4) и по 50шт. (SOP8); - соответствие европейской директиве RoHS (без свинца); - расширенный диапазон рабочих температур (от -550 С до +1000 С); - предоставление скидок от объема и регулярности заказов, а также отсрочек платежа для постоянных клиентов и торговых представителей; - поддержание складов как на ОАО «Протон», так и у торговых представителей, что значительно сокращает сроки поставки (координаты торговых представителей приведены на последней странице); - готовность расширять номенклатуру и изменять технические параметры или делать отбор по параметрам в соответствии с требованиями потребителей.
Твердотельные реле с оптической развязкой PRAG71S, PRAH71S соответствуют техническим условиям КЕНС 431156.091 ТУ.
Технические характеристики:
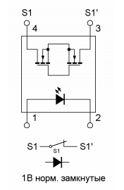
- Тип контактов: нормально замкнутый
PRAG71S - одна группа,
PRAH71S - две группы;
- Коммутируемое напряжение: 400 В;
- Коммутируемый ток:
PRAG71S - 100 мА,
PRAH71S - 60 мА;
- Сопротивление канала, типовое: 20 Ом;
- Напряжение изоляции: 1500 В.
Электрические параметры твердотельных реле с оптической развязкой в SOP корпусах:
Выходные параметры:
- Напряжение коммутации на выходе 400 В
- Ток коммутации на выходе 100 мА
- Ток коммутации на выходе импульсный (длительность одиночного импульса=1мс) 600 мА
- Рассеиваемая мощность 300 мВт
- Сопротивление в открытом состоянии на входе макс. 50 Ом (с отбором 30 Ом)
- Емкость выходная тип. 165 пФ
- Ток утечки на выходе макс. 10 мкА
- Прямое падение напряжения макс. 1,5 В
Входные параметры:
- Входной рабочий ток макс. 3 мА
- Входной ток максимальный 50 мА
- Входное напряжение в закрытом состоянии мин. 0,5 В
- Входное обратное напряжение макс. 5 В
- Динамические параметры
- Время включения макс. 3 мс
- Время выключения макс. 1 мс
Прочие:
- Напряжение изоляции вход-выход 1500 В
- Температура рабочая -55 … +100 С
- Температура хранения -55 … +125 С
- Замена отечественных микросхем в DIP корпусах:
PRAG71S: КР293КП5Б, В; КР293КП6Б, В;
К449КП2ВР (Т).
PRAH71S: КР293КП7Б, В; КР293КП8Б, В.
- Зарубежные аналоги:
PRAG71S: KAQY414S; AQY414S; CPC1135N,
CPC1150N, PS7241-1B-A, M212, M222.
PRAH71S: KAQW414S; AQW414S.


