0
Ваша Корзина
К294КП6АП2 – Описание
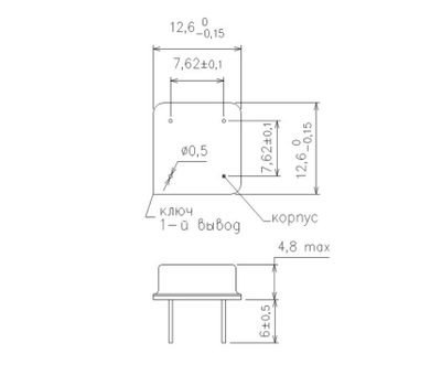
Оптоэлектронное реле К294КП6АП2
Особенности: ток управления 10 мА, 1 500 В напряжение изоляции, герметичный металлостеклянный корпус (шаг выводов 2,54 мм.).
Области применения: замена электромагнитных реле, промышленная автоматика, силовой интерфейс.
Выпускается в металлическом корпусе.
