0
Ваша Корзина
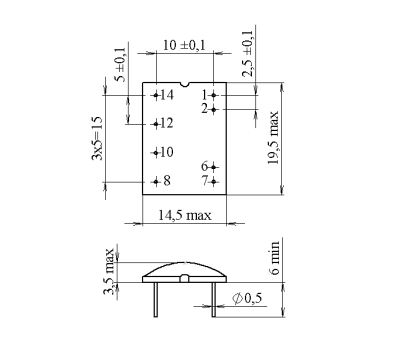
К294КП6АП12 – Описание
Области применения: замена электромагнитных реле, промышленная автоматика, силовой интерфейс.
Технические характеристики:
- Тип корпуса - case867;
- Материал - пластмассовый корпус;
- Шаг выводов - 2,5 мм.;
- Диапазон рабочих температур: -45.....+85 ℃;
- Максимальное коммутируемое напряжение - 60 В;
- Напряжение изоляции - 5000 В;
- Ток управления - 5 мА.
