0
Ваша Корзина
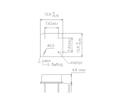
К294КП2ВП1 – Описание
Оптоэлектронное реле К294КП2ВП1
Особенности: ток управления 10 мА, 1 500 В напряжение изоляции, герметичный металлостеклянный корпус (шаг 2,54 мм.).
Области применения: замена электромагнитных реле, промышленная автоматика, силовой интерфейс.
Выпускается в металлическом корпусе.
