0
Ваша Корзина
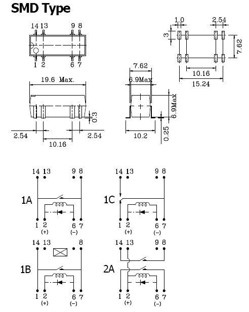
TRR-1C-05S00-R – Описание

| Модель | Номин. напряжение, В | Макс. рабочее напряжение, В | Номин. ток, мА | Сопротивление катушки, Ом (±10%) | Потребляемая мощность, Вт | Напряжение срабатывания, В | Напряжение отпускания, В |
| TRR-1A TRR-1B |
5 | 6 | 10 | 500 | 50 | 3.75 | 0.8 |
| 12 | 14.5 | 12 | 1000 | 144 | 9.0 | 1.0 | |
| 24 | 29 | 11.2 | 2150 2000 (для SIP) |
268 | 18.0 | 2.0 | |
| TRR-1C | 5 | 11 | 25 | 200 | 125 | 3.75 | 0.8 |
| 12 | 20 | 24 | 500 | 288 | 9.0 | 1.0 | |
| 24 | 32 | 11.2 | 2150 | 268 | 18.0 | 2.0 | |
| TRR-2A | 5 | 11 | 35.7 | 140 | 179 | 3.75 | 0.8 |
| 12 | 20 | 24 | 500 | 288 | 9.0 | 1.0 | |
| 24 | 32 | 11.2 | 2150 | 268 | 18.0 | 2.0 |
| Контактная схема | 1A / 1B / 2A | 1C |
| Макс. ток коммутации, пост., А | 0.5 | 0.2 |
| Макс. рабочий ток, пост., А | 1.0 | 0.5 |
| Макс. коммутируемая мощность, Вт | 10 | 3 |
| Ресурс срабатывания (при 10В, 10мА) | 1х108 | 5х107 |
| Сопротивление контактов, мОм | 150 | |
| Время срабатывания, мс | 1.0 | |
| Время отпускания, мс | 0.5 | |
| Макс. допуст. напряжение, В | 100 | |
| Сопротивление изоляции, МОм | 1000 | |
| Напряжение пробоя между катушкой и контактом, В (DC) | 1400 | |
| Напряжение пробоя между контактами, В (DC) | 250 | |
| Рабочая температура, °С | -40 +85 | |
| Температура хранения, °С | -55 +125 | |
| Ударопрочность | 30G мин. | |
