0
Ваша Корзина
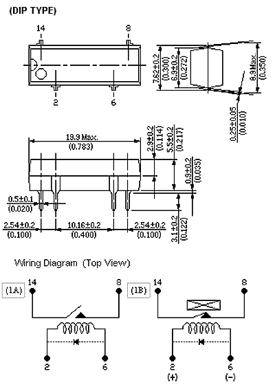
EDR2H1A0500Z – Описание
- Водонепроницаемые
- Корпус - DIP
- Могут управляться непосредственно с выводов микросхем (TTL уровень)
- Под заказ поставляются с магнитным экраном
- Контактный набор - 1 замык.
- Ток питания обмотки - постоянный
- Кол-во обмоток - 1
- Напряжение срабатывания, не более - 3.75В
- Напряжение отпускания, не менее 0.8В
- Сопротивление обмотки,- 500 оМ
- Номинальное рабочее напряжение - 5В
- Максимальное рабочее напряжение - 16в
- Максимальное коммутируемое постоянное напряжение - 100В
- Максимальный коммутируемый постоянный ток - 1А
- Время срабатывания - 1мс
- Время отпускания - 0.5мс
- Сопротивление изоляции - 100000 МОм
- Макс. сопротивление электрических контактов - 0.15 Ом
- Наработка на отказ не менее,циклов х10^6100
- Диапазон рабочих температур: -40…85°C
- Вес - 2г.

| Контактная схема | Номинальное напряжение, В | Макс. рабочее напряжение, В | Напряжение срабатывания, В | Напряжение отпускания, В | Сопротивление катушки, Ом (±10%) | Номинальная входная мощность, Вт |
| 1A | 5 | 16 | 3.75 | 0.8 | 500 | 50 |
| 12 | 20 | 9.00 | 1.0 | 1000 | 144 | |
| 24 | 32 | 18.00 | 2.0 | 2150 | 268 | |
| 2A | 5 | 11 | 3.75 | 0.8 | 140 | 179 |
| 12 | 20 | 9.00 | 1.0 | 500 | 288 | |
| 24 | 32 | 18.00 | 2.0 | 2150 | 268 | |
| 1B | 5 | 6 | 3.75 | 0.8 | 500 | 50 |
| 12 | 14.5 | 9.00 | 1.0 | 1000 | 144 | |
| 24 | 29 | 18.00 | 2.0 | 2150 | 268 | |
| 1C | 5 | 11 | 3.75 | 0.8 | 200 | 125 |
| 12 | 20 | 9.00 | 1.0 | 500 | 288 | |
| 24 | 32 | 18.00 | 2.0 | 2150 | 268 |
| Контактная схема | 1A | 2A | 1B | 1C | |
| Ток коммутации, пост., А | 0.5 макс. | 0.5 макс. | 0.5 макс. | 0.2 макс. | |
| Рабочий ток, пост., А | 1.0 макс. | 1.0 макс. | 1.0 макс. | 0.5 макс. | |
| Коммутируемая мощность, Вт | 10 макс. | 10 макс. | 10 макс. | 3 макс. | |
| Ресурс срабатывания | 1x108 (10 В, 10 мА) |
1x108 (10 В, 10 мА) |
1x108 (10 В, 10 мА) |
5x107 (5 В, 1 мА) |
|
| Сопротивление контактов, Ом | 150 мОм макс. | 150 мОм макс. | 150 мОм макс. | 150 мОм макс. | |
| Время срабатывания, мс | 1.0 макс. | 1.0 макс. | 1.0 макс. | 1.5 макс. | |
| Время отпускания, мс | 0.5 макс. | 0.5 макс. | 0.5 макс. | 2.0 макс. | |
| Макс. допуст. напряжение, В | 100 | 100 | 100 | 30 | |
| Сопротивление изоляции, Ом (при 100 В) |
1010 мин. | 1010 мин. | 1010 мин. | 109 мин. | |
| Напряжение пробоя | между катушкой и контактом | 1400 В мин. 4000 В мин. (корпус с изоляцией) |
1400 В мин. | 1400 В мин. | 1400 В мин. |
| между контактами | 250 В мин. | 250 В мин. | 250 В мин. | 150 В мин. | |
| Рабочая температура | -40°C ~ +85°C | -40°C ~ +85°C | -40°C ~ +85°C | -40°C ~ +85°C | |
| Температура хранения | -55°C ~ +125°C | -55°C ~ +125°C | -55°C ~ +125°C | -55°C ~ +125°C | |
| Ударопрочность | 30G мин. | 30G мин. | 30G мин. | 30G мин. | |
