0
Ваша Корзина
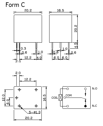
TRU-12VDC-SB-CL – Описание

| Модель | Номин. напряжение, В | Номин. ток, мА | Сопротивление катушки, Ом (±10%) | Потребляемая мощность, Вт |
| TRU | 12 | 30 | 400 | 0.36 |
| Модель | TRU | |
| 12 A | 15 A | |
| Значения параметров Активная нагрузка (cosФ=1) |
12 А, 28 B (DC) (UL) 12 А, 120 B (АС) 15 А, 28 B (DC) (TUV) 10 А, 250 B (АС) |
12 А, 28 B (DC) (UL) 12 А, 125 B (АС) 15 А, 28 B (DC) (TUV) 10 А, 250 B (АС) |
| Макс. допуст. напряжение | 250 B (AC) 110 B (DC) | 250 B (AC) 110 B (DC) |
| Макс. допуст. ток | 12 А | 15 А |
| Макс. допуст. мощность | 1440 ВА 336 Вт | 1875 ВА 420 Вт |
| Минимальная нагрузка | 5 B (DC), 10 мА | 5 B (DC), 10 мА |
| Сопротивление контактов, мОм | 100 |
| Время срабатывания, мс | 15 |
| Время отпускания, мс | 5 |
| Напряжение пробоя между катушкой и контактом в теч. 40 мксек, В (AC) | 3000 |
| Макс. количество срабатываний | 300 операций/мин. |
| Сопротивление изоляции, МОм (при 500 В) | 100 |
| Рабочая температура, °С | -30 +80 |
| Относительная влажность, % | 45-85 |
| Макс. повышение температуры обмотки, °С | 35 |
| Ударопрочность | 10G мин. (100 м/с) |
| Механический ресурс срабатывания | 1х107 |
