TRD-12VDC-SC-CL-R – Описание
Электромагнитные реле серии TRD конструктивно выполнены в герметичном корпусе с одной переключающей группой контактов (SPDT) и рассчитаны на коммутацию тока силой до 12 А, что соответствует мощности в нагрузке 1440 ВА или 336 Вт. Типовая мощность, потребляемая катушкой реле с высокой чувствительностью, не превышает 0,36 Вт.
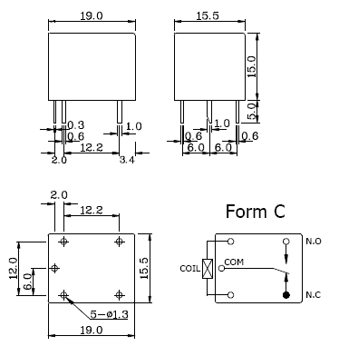
Кроме компактных размеров, реле TRD отличаются также малым весом, увеличенным механическим ресурсом срабатываний, высокой скоростью переключения и устойчивостью к ударным нагрузкам с ускорением не менее 10 g.
- Активная нагрузка (cosФ=1):
- 12 А, 28 B DC (UL),
- 12 А, 120 B АС,
- 12 А, 28 B DC (TUV),
- 6 А, 250 B АС;
- Максимально допустимое напряжение: 250 B AC, 110 B DC;
- Максимально допустимый ток: 12 А;
- Максимально допустимая мощность: 1440 ВА, 336 Вт;
- Минимальная нагрузка: 5 B DC, 10 мА;
- Сопротивление контактов: 100 мОм;
- Время срабатывания: 10 мс;
- Время отпускания: 5 мс;
- Напряжение срабатывания: 75 % от номинального напряжения;
- Напряжение отпускания: 5 % от номинального напряжения;
- Максимально допустимое рабочее напряжение: 120 % от номинального напряжения;
- Напряжение пробоя между катушкой и контактом: 1500 В AC (1 мин);
- Напряжение пробоя между контактами: 750 В AC (1 мин);
- Максимальная скорость срабатываний: 300 операций/мин;
- Механический ресурс срабатывания: 1х107;
- Сопротивление изоляции: 100 МОм (при 500 В);
- Относительная влажность: 45…85 %;
- Вес: 10 г;
- Устойчивость к ударам: не менее 10 g (100 м/с);
- Соответствует стандартам UL и cUL (Е156521), CSA (LR102317), TUV (R50062544);
- Максимальное повышение температуры обмотки: 35 °С;
- Рабочий температурный диапазон: -30…+80 °С.
|
Серия реле |
UНОМ, В |
IНОМ, мА |
RКАТ, Ом (±10 %) |
P, Вт |
|
TRD-5VDC |
5 |
71,4 |
70 |
0,36 |
|
TRD-12VDC |
12 |
30 |
400 |
0,36 |
|
TRD-24VDC |
24 |
15 |
1600 |
0,36 |

