0
Ваша Корзина
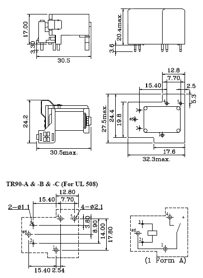
TR90-24VDC-SC-A-R – Описание
- Способ монтажа: допустима смывка
- Материал контактов: AgSnIn
- Вес 28 г
- Соответствует стандартам UL и CUL (Е156406)
- Значения параметров (Тип А): UL - 40 А 240 B (AC)/30 A 277 B (AC)
- Напряжение срабатывания 80% от номинального напряжения
- Напряжение отпускания 10% от номинального напряжения
- Макс. допуст. рабочее напряжение 120% от номинального напряжения

| Модель | Номин. напряжение, В | Номин. ток, мА | Сопротивление катушки, Ом (±10%) | Потребляемая мощность, Вт |
| TR-90 | 12 | 77 | 155 | 0.93 |
| 24 | 36 | 660 | 0.93 |
| Сопротивление контактов, мОм | 100 |
| Время срабатывания, мс | 15.0 |
| Время отпускания, мс | 10.0 |
| Напряжение пробоя между катушкой и контактом в теч. 1 мин., В (AC) | UL508: 1500 UL873: 2500 |
| Напряжение пробоя между контактами в теч. 1 мин., В (AC) | UL508: 1500 UL873: 2500 |
| Макс. количество срабатываний | 300 операций/мин. |
| Сопротивление изоляции, МОм (при 500 В) | 10 |
| Рабочая температура, °С | -55 +85 |
| Относительная влажность, % | 45-85 |
| Макс. повышение температуры обмотки, °С | 60 |
| Ударопрочность | 10G мин. (10 м/с2) |
| Механический ресурс срабатывания | 10х106 |
