PTF-08AE – Описание
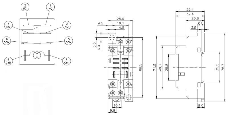
Контактные колодки серии PTF предназначены для подключения электромагнитных реле в электрическую схему, таких как, например реле TRL. Колодки могут быстро крепиться как на стандартную DIN-рейку шириной 35 мм, так и к монтажной панели при помощи винтов. Конструкция клемм обеспечивает надежный винтовой зажим проводников электрической схемы. Колодки PTF-08AE имеют улучшенную защиту от прикосновения к клеммам.
Контактные колодки PTF изготавливаются из диэлектрического материала, поэтому необходимость в дополнительных прокладках при монтаже на металлические поверхности не возникает. Для безопасного использования колодок при температуре выше 40 °C следует уменьшить допустимый ток через контакты до уровня 60 % от номинального значения.
- Подходят для реле TRL-2C (DPDT);
- Номинальный ток: 7 А;
- Диэлектрическая прочность: 2000 В AC (1 мин);
- Сопротивление изоляции: до 1000 МОм;
- Степень защиты: изолятора колодки – IP40, зажимов – IP00;
- Рабочий температурный диапазон: -25…+55 °C.

