0
Ваша Корзина
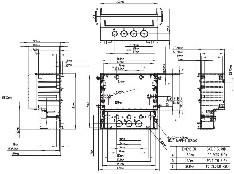
DC001CUL – Описание
Короб пластмассовый DC001CUL, с откидной прозрачной крышкой, 166x161x93
Производится из ударопрочного жаростойкого ABS пластика UL-94V0. Обеспечивается защита от проникновения пыли и влаги по стандарту IP65. В комплект поставки входит прозрачная крышка. Габаритные размеры составляют: по длине 166 мм, по ширине 161 мм и по высоте 93 мм. На внутренней поверхности корпуса отлиты стойки для горизонтального и направляющие для вертикального размещения печатных плат.

