G1213G – Описание
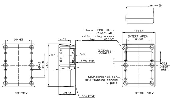
Корпус G1213G пластмассовый, 174,5х123,6х63,5
Материал из которого изготовлен данный корпус - АBS-пластик светло-серого цвета. Он обладает хорошей ударной прочность, а шероховатая поверхность изделия позволит надолго сохранить привлекательный внешний вид.
Корпус из пластика неприхотлив и выдерживает температуру от -20 до 100С.
На задней поверхности имеется отверстие с крышкой для батареи.
Внутри отлиты стойки для пп.
В комплект поставки включены саморезы и резиновые ножки.
Внешний вид и габаритные размеры G1213G:

Пластиковые корпуса серии G12xx:
| 92x57x25.4 | Черный | |
| 92x57x25.4 | Серый | |
| 111x82.5x38 | Черный | |
| 111x82.5x38 | Черный | |
| 111x82.5x38 | Серый | |
| 111x82.5x38 | Серый | |
| 142.8x82.5x38 | Черный | |
| 142.8x82.5x38 | Серый | |
| 174.5x123.6x38 | Черный | |
| 174.5x123.6x38 | Серый | |
| 174.5x123.6x63.5 | Черный | |
| G1213G | 174.5x123.6x63.5 | Серый |
