0
Ваша Корзина
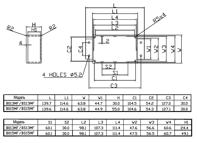
BS13MF – Описание
Корпус алюминиевый BS13MF, с фланцами, с уплотнителем, 114x 64 x 30
Технические характеристики:
- Материал: сплав алюминия ADC-12
- Размеры (ДхШхВ): 114 x 64 x 30 мм
- С уплотнителем, степень защиты: IP 66
- С фланцами для удобного крепления корпуса
- Цвет: алюминиевый натуральный
- В комплекте винты М3.5 из нержавеющей стали

