G1600095 – Описание
Ручка G1600095, для переноски корпусов G760, G761, G762
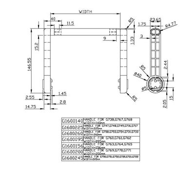
Специальные ручки серии G1600xxx предназначаются не только для удобной переноски оснащаемых ими корпусов для РЭА, но и для использования в качестве подставки, обеспечивающий требуемый наклон корпуса. Конструктивно такие ручки состоят из комплекта двух Г-образных нейлоновых боковин с поворотными механизмами и соединяющей их трубчатой алюминиевой перекладины требуемой длины.
Подобрать необходимую ручку-подставку серии G1600xxx очень просто – длина трубчатой перекладины должна равняться ширине соответствующего корпуса для РЭА. Универсальные поворотные механизмы боковин крепятся к корпусу с помощью винтов, обеспечивая возможность надежной фиксации ручки-подставки в одной из нескольких позиций с шагом в 30 градусов.
- материал: светло-серый Nylon 66 UL94-V2
- материал трубчатой перекладины: неокрашенный алюминий
- может использоваться как подставка для корпуса различных приборов
- крепкий и удобный механизм фиксации ручки
- возможность надежной фиксации ручки в одной из нескольких позиций с шагом в 30 градусов
