0
Ваша Корзина
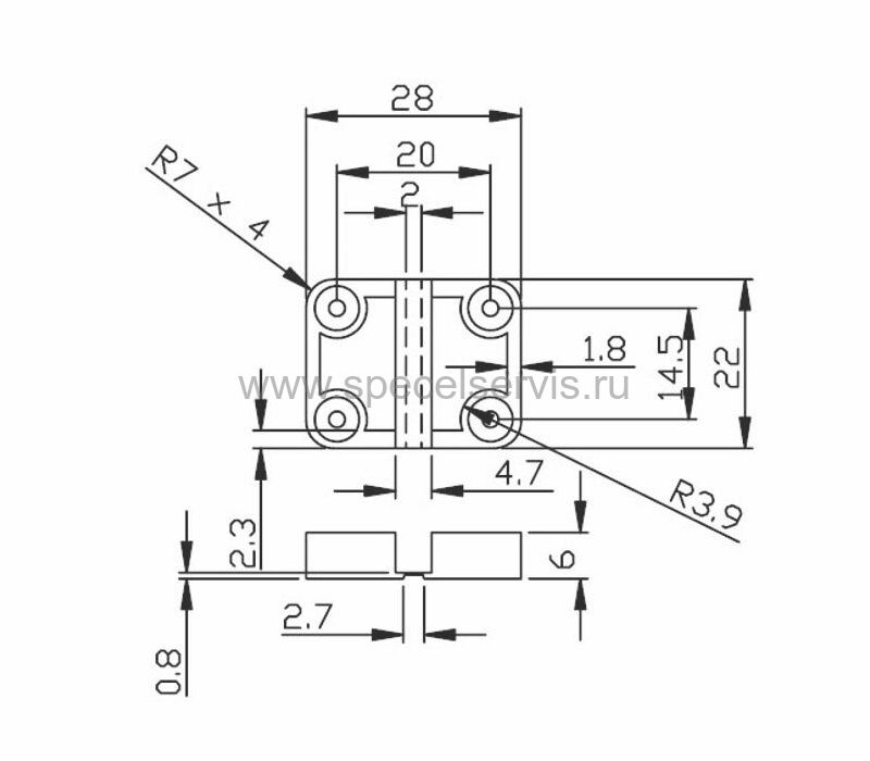
EMP-001 – Описание
Кронштейн EMP-001
Комплект кронштейнов, предназначены для монтажа корпусов для РЭА серий G2 и G3 к ровной поверхности (на стену или на место установки), в наборе 2 шт.
- Размеры, мм: 28x22x6
- Материал ABS пластик
- Цвет: светло-серый
- Степень защиты: нет
