0
Ваша Корзина
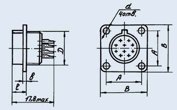
РС7БТВ розетка без кожуха – Описание
РС7БТВ розетка без кожуха
Соединители РС7БТВ цилиндрические низкочастотные, предназначены для работы в электрических цепях постоянного, переменного (частотой до 3МГц) и импульсного токов.
Соединители изготавливаются для внутреннего монтажа во всеклиматическом исполнении в соответствии с техническими условиями АВ0.364.047ТУ (АШДК.434410.059ТУ).
Соединители РС состоят из герметичной или негерметичной приборной вилки и негерметичной приборной или кабельной розетки.
Технические характеристики:
- Сочленение: Резьбовое, Врубное
- Количество контактов: 4,7,10,19,32,50
- Напряжение рабочее, Bmax: 200 В
- Ток на контакт, рабочий (в зависимости от сочетания и диаметра контактов): 4 A
- Температура окружающей среды, рабочая: от -60 до +85 °С
- Исполнение монтажной части:
- Без патрубка,Патрубок прямой,Для неэкранированного кабеля
- Монтаж: Объемный, Пайкой
- Герметичность: Нет
- Покрытие контактов: Золото,Серебро
- Число сочленений: 250
- Сохраняемость: 15 лет
- Минимальная наработка: 1000 часов


