Каталог товаров
О компании
Вакансии
Как купить
Оплата
Доставка
Контакты
+7 (800) 333-02-49
Бесплатно по России
Каталог товаров
Каталог товаров
Интегральные микросхемы
Микросхемы прочие
Цифровые потенциометры
Микроконтроллеры и память
Микросхемы Flash памяти
Микроконтроллеры
Микросхемы ПЗУ памяти
Микросхемы ОЗУ памяти
Сигнальные процессоры
Логические микросхемы
ИМС простой логики
ПЛИС FPGA/CPLD
Супервизоры
Интерфейсы
Интерфейс RS-485_422
Кодеки
Сенсорный интерфейс
LIN интерфейс
RS-232 интерфейс
RS-485_422 интерфейс
Еще
Генераторы и таймеры
Тактовые генераторы
Кварцевые генераторы
Часы реального времени
Синтезаторы частоты
Таймеры интегральные
Аналоговые ИМС
Аттенюаторы
Аудио процессоры
Видео процессоры
Видеоусилители
Микшеры
Мультиплексоры
Еще
Преобразователи питания
DC интеллектуальные ключи
DC-DC преобразователи интегральные
IGBT, MOSFET драйверы
LED драйверы
ШИМ контроллер
Линейные регуляторы напряжения
Еще
Специализированные ИМС
Отечественные ИМС
Микросхемы 100-1000 серий
Микросхемы 1001-2000 серий
Дискретные полупроводники
Диоды
PIN-диоды
Варикапы
Выпрямительные диоды
Диоды Шоттки
Защитные диоды
Мосты диодные
Еще
Транзисторы
IGBT транзисторы
Биполярные транзисторы с изолированным затвором (IGBTs)
Транзисторные сборки
Биполярные транзисторы
Полевые транзисторы
Тиристоры
Пассивные компоненты
Кварцевые генераторы
Защитные устройства
Предохранители самовосстанавливающиеся
Предохранители плавкие
Держатели предохранителей
Разрядники газовые
Варисторы
Термопредохранители
Еще
Резисторы
Выводные резисторы
Сборки выводные резисторные
ЧИП резисторы
Сборки ЧИП резисторные
Переменные резисторы
Подстроечные резисторы
Еще
Конденсаторы
Ионисторы
Керамические выводные конденсаторы
Керамические ЧИП конденсаторы
Пленочные конденсаторы
Подстроечные конденсаторы
Танталовые выводные конденсаторы
Еще
Моточные изделия
Делители
Индуктивности
Ферриты
Дроссели
Катушки индуктивности
Магнитопроводы
Еще
Резонаторы и фильтры
EMS фильтры
Кварцевые резонаторы
Пьезокерамические резонаторы
Пьезокерамические фильтры
Датчики
Акселерометры
Датчики тока
Датчики температуры
Интегральные термодатчики
Терморезисторы
Датчики давления
Датчики влажности
Датчики Холла
Датчики положения
Фотодатчики
Фотодиоды
Фототранзисторы
Датчики освещенности
ИК приемники
Оптоэлектроника
VFD дисплеи
Оптоволоконные трансиверы
Фотодиоды
Светодиодные индикаторы
Светодиоды с плоской вершиной
ЧИП светодиоды
Круглые светодиоды
Овальные светодиоды
Прямоугольные светодиоды
Светодиоды с вогнутой вершиной
Еще
Мощные светодиоды
Вторичная оптика
ЖК индикаторы
Оптопары
Акустические компоненты
Генераторы звука
Пьезокерамические генераторы звука
Электромагнитные генераторы звука
Излучатели звука
Пьезокерамические излучатели звука
Электромагнитные излучатели звука
Динамики
Пьезокерамические динамики
Электромагнитные динамики
Сирены
Демо-платы
Микрофоны
Беспроводные компоненты
Антенны
Радиомодули
Элементы согласования
Источники питания
AC-DC модули питания
DC-DC модули питания
Элементы питания
Электромеханика
Батарейные держатели
Вентиляторы
Клеммные колодки
Радиаторы
Розетки бытовые
Корпуса для РЭА
Алюминиевые литые корпуса
Корпуса пластиковые
Корпуса в стойку 19 дюймов
Корпуса для брелоков
Корпуса для пультов управления
Корпуса на DIN-рейку
Еще
Батарейные отсеки
Клеммные блоки
Винтовые клеммники для печатных плат
Пружинные клеммники для печатных плат
Разъемные клеммники
Барьерные клеммники
Проходные клеммники
Клеммы
Провода и кабели
Переключатели
Энкодеры
Кнопки тактовые
Кнопочные переключатели
Микропереключатели
Клавишные переключатели
Движковые переключатели
Еще
Реле
Термореле
Сигнальные реле
Твердотельные реле
Автомобильные реле
Силовые реле
Герконовые реле
Еще
Термоусадочные трубки
Стяжки кабельные
Подложки теплопроводящие
Разъемы
Межплатные разъемы
Banana штекеры и гнезда
Автомобильные разъемы
D-Sub разъемы
Аудио разъемы
DC разъемы питания
Еще
Крепеж
Оборудование
Инструмент
Охранно-пожарное оборудование
GSM устройства
Извещатели
Оповещатели
Приемно-контрольные приборы
Радиоканальные устройства
Бесперебойные источники питания
Еще
Паяльное оборудование
Паяльные станции
Аксессуары к паяльным станциям
Материалы для пайки
Измерительное оборудование
Измерительные приборы
Платы для программирования и отладки
Осциллографы цифровые
Платы сбора данных
Платы усиления и коммутации
Регистраторы и анализаторы
Еще
Электрика и автоматика
Вибромоторы
Контакторы
ПЛК
Синхроскопы
УЗО
Шины и перемычки
Автоматические выключатели
Автоматы ввода резерва
Вольтметры и амперметры
Выключатели клавишные
Выключатели кнопочные
Таймеры и реле времени
Реле контроля
Реле контроля фазных напряжений
Реле контроля линейных напряжений
Реле контроля однофазного напряжения
Реле контроля постоянного напряжения
Реле контроля температуры
Реле контроля тока
Еще
Модульные промежуточные реле
Ограничители пускового тока
Ограничители мощности
Счетчики импульсов
Датчики модульные
Сигнальные модули
Вспомогательные модули
Больше Электрика и автоматика
→
Скачать прайс
0
Ваша
Корзина
Корзина
Корзина
Оформить заказ
Ваш личный
Кабинет
Заказы
Список сравнения
Запросы на возврат
Отложенные товары
Отслеживание заказа
Отслеживание заказа
Войти
Регистрация
E-mail
Пароль
Забыли пароль?
Создать учетную запись
Войти через социальную сеть:
Войти
Запомнить
Загрузка списка
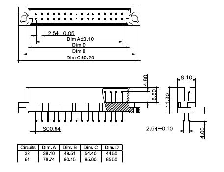
DIN41612-32M
Главная
/
Каталог
/
Электромеханика
/
Разъемы
/
DIN41612 разъемы
/
DIN41612-32M
Наведите на картинку для увеличения
47.80
Р
44.82
Р
50+
41.83
Р
500+
В наличии:
Под заказ
Оптовые цены:
Кол-во
50+
500+
Цена
44.82
Р
41.83
Р
Минимальное кол-во:
1
.
+
−
Заказать
Сообщить мне, когда товар будет в наличии
E-mail
КОД:
10124850
Бренд:
CHINA
Норма упаковки:
70
Условия поставки:
Под заказ
Срок поставки:
По запросу
Отложить
Сравнить
Поделиться
Описание
Характеристики
DIN41612-32M – Описание
Номинальный ток: 2 А
Номинальное напряжение: 250 В
Сопротивление контактов: 30мОм (макс.)
Сопротивление изолятора: 1000 МОм (мин.)
Предельное напряжение: 1000 В в теч.1 мин
Рабочая температура: -25°С…+125°С
Материал изолятора: термостойкий пластик (UL94V-0)
Материал контактов: сплав меди
DIN41612-32M – Характеристики