0
Ваша Корзина
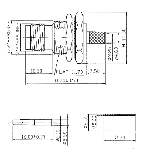
TNC-7417A – Описание
Высокочастотная розетка на обжим коаксиального кабеля RG-58.
- Тип: розетка приборная, прямая;
- Способ монтажа: обжимом;
- Тип соединения: резьбовое;
- Волновое сопротивление: 50 Ом;
- Частотный диапазон: 0...4 ГГц;
- Сопротивление изоляции: не менее 1000 МОм;
- Сопротивление контактов: не более 5 мОм;
- Рабочее напряжение: 500 В RMS;
- Максимально допустимое напряжение: 1000 В (в теч. 1 мин);
- Материал корпуса: латунь, покрытие никель;
- Материал контактов: бронза, покрытие золото;
- Материал изолятора: тефлон;
- Аналоги: GT-213, HYR-0213A;
- Температурный диапазон: -40...+125 °C.

