0
Ваша Корзина
КТ3102ДМ – Описание
Транзистор биополярный КТ3102ДМ
- Структура: NPN
- Макс. напряжение: 50 В
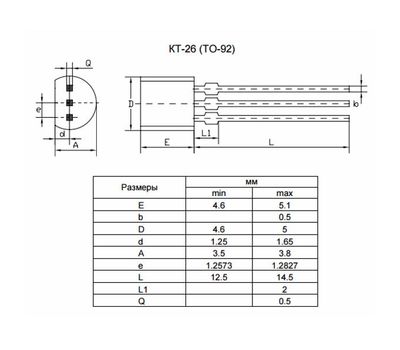
- Корпус: КТ-26
- Максимально допустимый ток: 0,1
- Статический коэффициент передачи тока h21э мин: 200
- Граничная частота коэффициента передачи тока fгр, МГц: 150
