0
Ваша Корзина
BD136 – Описание
Транзистор биополярный BD136
- Структура: PNP
- Макс. напряжение: 45 В
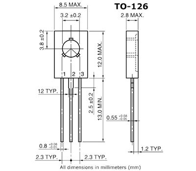
- Корпус: TO-126
- Максимально допустимый ток: 1
- Статический коэффициент передачи тока h21э мин: 40
- Граничная частота коэффициента передачи тока fгр,МГц: 50
- Максимальная рассеиваемая мощность: 12 Вт
Транзисторы - это электронные приборы из полупроводникового материала, которые позволяют входным сигналам управлять током в электрической цепи. Используются для генерирования, преобразования и усиления электрических сигналов.
Биполярные транзисторы отличаются от других типов тем, что основными носителями в нем являются и дырки, и электроны. Данный транзистор находит применение в генераторах, усилителях, модулях, детекторах, инверторах, микросхемах.
