0
Ваша Корзина
BC547C – Описание
Транзистор биополярный BC547C
- Структура npn
- Макс. напр. к-б при заданном обратном токе к и разомкнутой цепи э.(Uкбо макс), В 50
- Макс. напр. к-э при заданном токе к и разомкнутой цепи б.(Uкэо макс), В 45
- Максимально допустимый ток к ( Iк макс.), А 0.1
- Статический коэффициент передачи тока h21э мин 420…800
- Граничная частота коэффициента передачи тока fгр., МГц 300
- Максимальная рассеиваемая мощность, Вт 0.5
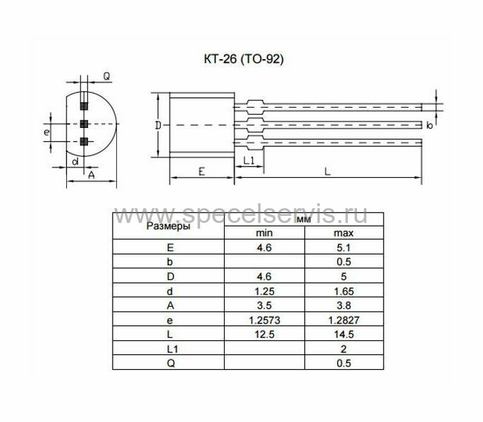
- Корпус to-92
