0
Ваша Корзина
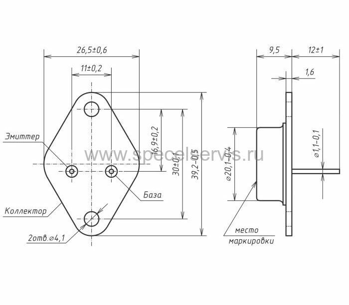
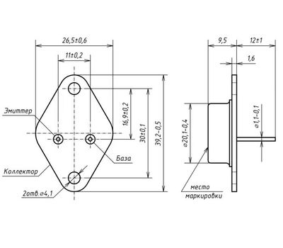
2Т826А – Описание
Транзистор биополярный 2Т826А
- Структура npn
- Макс. напр. к-б при заданном обратном токе к и разомкнутой цепи э.(Uкбо макс), В 700
- Максимально допустимый ток к ( Iк макс.), А 1
- Статический коэффициент передачи тока h21э мин 10
- Граничная частота коэффициента передачи тока fгр., МГц 6
- Максимальная рассеиваемая мощность, Вт 15
- Корпус kt-9
