0
Ваша Корзина
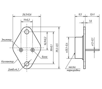
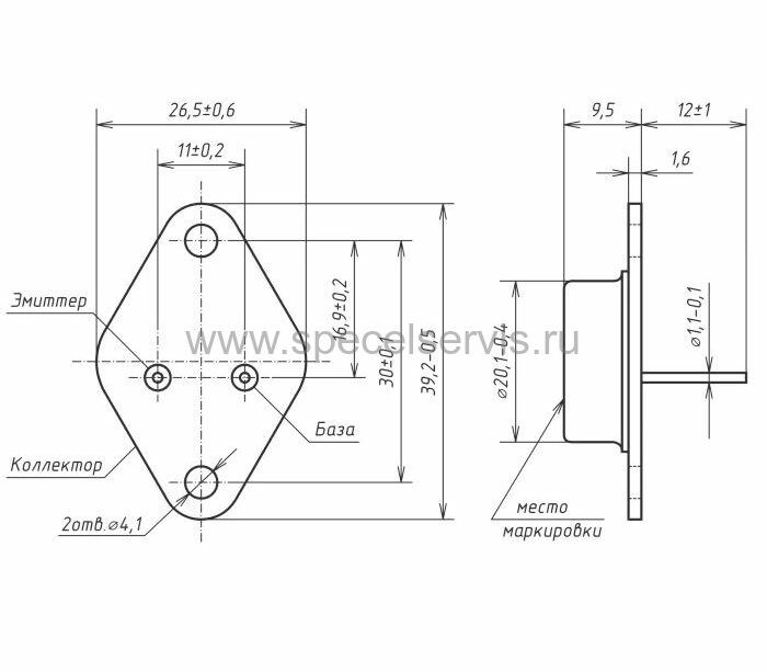
2Т819А – Описание
Транзистор биополярный 2Т819А
- Структура: PNP
- Макс. напряжение: 100 В
- Корпус: КТ-9
- Максимально допустимый ток: 15 А
- Статический коэффициент передачи тока h21э мин: 20
- Граничная частота коэффициента передачи тока fгр: 3 МГц
- Максимальная рассеиваемая мощность: 100 Вт
Биполярные транзисторы отличаются от других типов тем, что основными носителями в нем являются и дырки, и электроны. Данный транзистор находит применение в генераторах, усилителях, модулях, детекторах, инверторах, микросхемах.
