0
Ваша Корзина
BZX84C3V3.215 – Описание
Стабилитрон BZX84C3V3.215
- Мощность рассеяния: 0,2 Вт
- Мин. напряжение стабилизации: 3,1 В
- Ном. напряжение стабилизации: 3,3 В
- Макс. напряжение стабилизации: 3,5 В
- Статическое сопротивление Rст.: 40 Ом
- при токе I ст: 20 мА
- Рабочая температура: -55…150 С
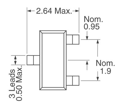
- Способ монтажа: SMD
- Корпус: SOT-23
