0
Ваша Корзина
P6KE24CA – Описание
Диод защитный P6KE24CA
- Конфигурация Одинарный
- Тип направления Двунаправленный
- Рабочая температура - 55...+175 °C
- Количество элементов на ИС 1
- Максимальное напряжение фиксации 33.2 В
- Минимальное пробивное напряжение 22.8 В
- Максимальное обратное напряжение стабилизации 20.5 В
- Максимальный пиковый импульсный ток 19 А
- Испытательный ток 1 мА Максимальный обратный ток утечки 1мкА
- Рассеяние пиковой импульсной мощности 600 Вт
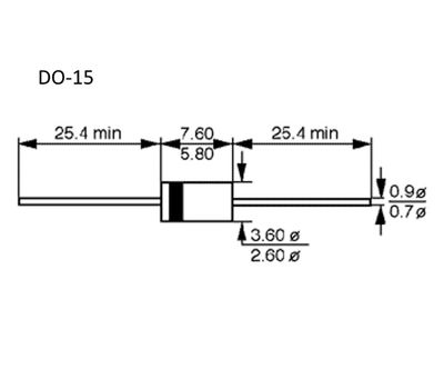
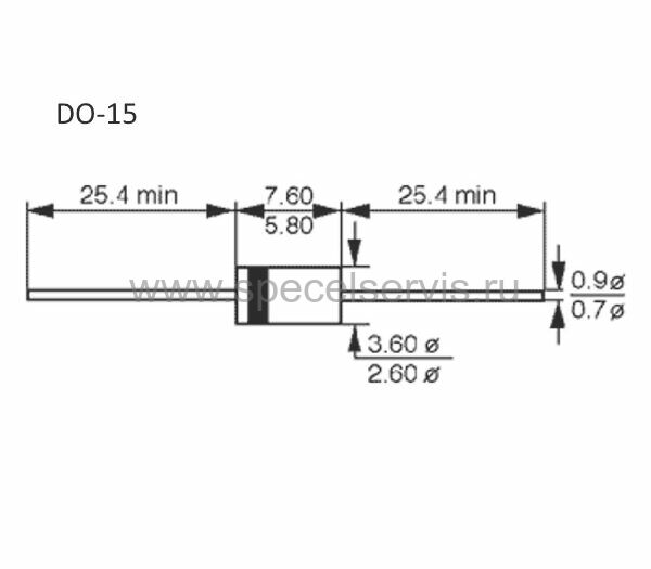
- Тип корпуса DO-15
- Тип монтажа на плату в отверстия
- Число контактов 2
- Размеры 7.6 x 3.6 x 3.6мм
