0
Ваша Корзина
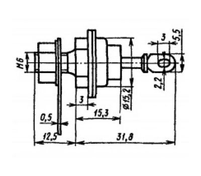
Д245Б – Описание
Диод выпрямительный Д245Б
- Тип диода: выпрямительный
- Максимальное постоянное обратное напряжение: 300 B
- Максимальное импульсное обратное напряжение: 300 B
- Максимальный прямой(выпрямленный за полупериод) ток: 5 A
- Максимальный обратный ток: 3000мкА
- Максимальное прямое напряжение: 1,5 B при Iпр.: 5 A
- Рабочая частота: 1.1 кГц
- Рабочая температура: -60...125 C
- Способ монтажа: В отверст.
- Корпус: kdu114
