SKKD170F12 – Описание
Силовой модуль SKKD170F12 представляет собой полумостовую сборку из двух быстро восстанавливающихся диодов рассчитанных на средний прямой ток не менее 170 А через каждый диод при повторяющемся обратном напряжении до 1200 В. Падение напряжения на p-n переходах при этом не превышает 2 В. Модуль способен выдерживать прямой ударный ток до 2500 А в нормальных условиях.
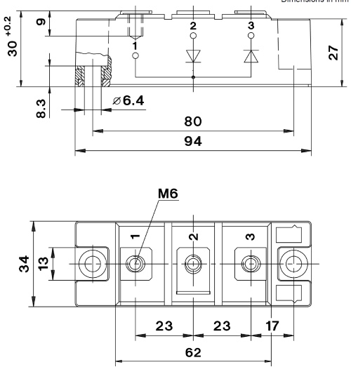
Диодная сборка SKKD170F12 производится в корпусе SEMIPACK 2, который эффективно отводит выделяющееся тепло от размещенных на его металлическом основании кристаллов диодов, электрически изолированном керамикой. Переменное напряжение изоляции может достигать 4000 вольт с частотой 50 Гц в течение 1 минуты.
- Повторяющееся максимальное обратное напряжение: 1200 В
- Средний прямой ток диода: 170 А (син. 180°; +85 °C);
- Прямое падение напряжения: не более 2 В;
- Ударный прямой ток диода в нормальных условиях: 2500 А (10 мс);
- Габаритные размеры: 94x34x30 мм;
- Эффективная температура p-n перехода: -40...+150 °C;
- Корпус: SEMIPAK 2.


