Реверсивный переключатель РП-3-40 – Описание
Особенности:
- Максимальный рабочий ток 40 А
- Максимальное сечение присоединяемых проводников: 16 мм2
- Номинальное рабочее напряжение: AC230 В для РП-1-40 и А400 В для РП-2-40, РП-3-40, РП-4-40
- Для исключения ошибок монтажа клеммы устройства оснащены защитными "шторками"
- Винт со шлицом PZ/FL-2
- Материал корпуса – ABS пластик светло серого цвета (RAL7035), класс горючести V0.
НАЗНАЧЕНИЕ УСТРОЙСТВА:
Переключатели предназначены для ручного переключения нагрузки с одного ввода на другой и обратно. Модульные реверсивные переключатели серии РП современное поколение аппаратов, предназначенных для осуществления оперативного управления участками электрических цепей. Переключатель широко используется для установки как в жилых, так и в общественных зданиях.
ВНИМАНИЕ! Коммутация переключателей ПОД НАГРУЗКОЙ НЕ ДОПУСКАЕТСЯ!
КОНСТРУКЦИЯ УСТРОЙСТВА:
Три фиксированных положения рукоятки I-0-II. Предусмотрено одно, двух, трёх и четырёхполюсное исполнение. Монтаж модульных реверсивных переключателей производят на 35 мм монтажную DIN-рейку. Среднее положение рукоятки фиксирует нулевое положение контактов.
РАБОТА УСТРОЙСТВА:
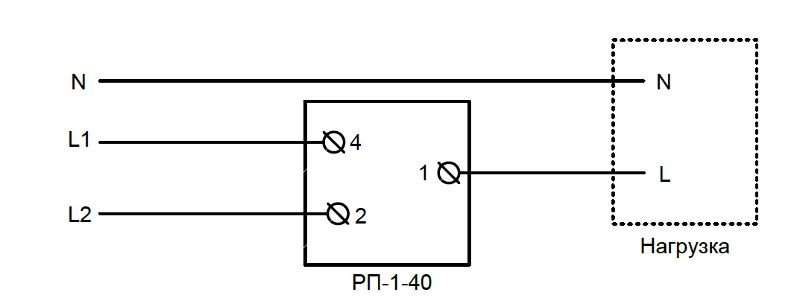
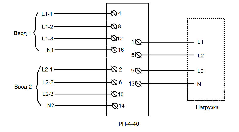
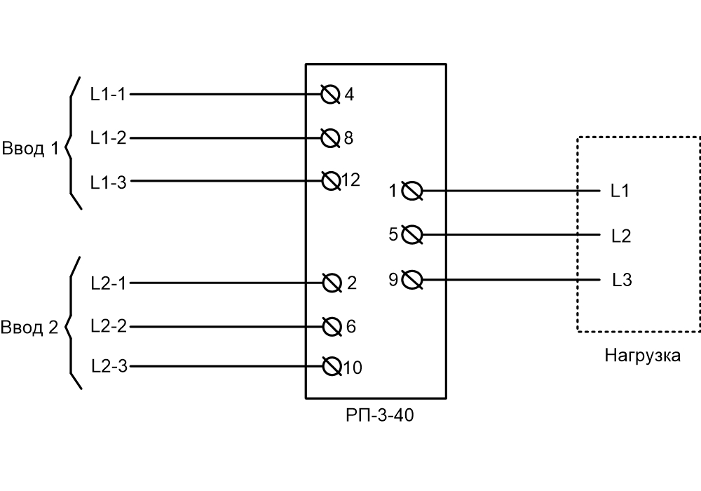
Переключатели подключаются к электрической сети переменного тока 230/400 В, в соответствии со схемой подключения, в зависимости от исполнения (рис.2). Управление коммутацией вводов осуществляется рукояткой на передней панели. Коммутация происходит по схеме I-0-II. Среднее положение рукоятки фиксирует нулевое (разомкнутое) положение контактов.






Реверсивный переключатель РП-3-40 – Характеристики
Технические характеристики:
- Номинальное рабочее напряжение Ue:
AC400В В;
- Максимальный рабочий ток (АС1) Iн: 40 А;
- Максимальный рабочий ток (АС3) Iн: 14 А;
- Номинальная частота тока сети: 50/60 Гц;
- Напряжение постоянного тока на один полюс,
не более: 48 В;
- Механическая износостойкость, не менее:
30000 циклов;
- Число полюсов, по исполнениям: 1, 2, 4
шт.;
- Потребляемая мощность, не более: 0 ВА;
- Диапазон рабочих температур: -40...+50
⁰C;
- Температура хранения: -40...+70 ⁰C;
- Степень защиты по клеммам в соответствии
с ГОСТ 14254-96: IP20;
- Степень загрязнения в соответствии с
ГОСТ 9920-89: 2;
- Максимальное сечение провода,
присоединяемого к зажимам: 16 мм²;
- Относительная влажность воздуха: до 80 %
(при 25 ⁰C);
- Режим работы: круглосуточный;
- Рабочее положение в пространстве:
произвольное;
- Масса одного полюса, не более: 0,052;
- Наличие драгоценных металлов (серебро),
на полюс: 0,1...0,4 г;
- Усилие затяжки по ГОСТ 10434-82 (винт М4): 1,2±0,2 H·м
