ВР-М03 АС50-450В УХЛ2 – Описание
Вольтметр ВР-М03 АС50-450В УХЛ2
Цифровой вольтметр ВР-М03 АС50-450В УХЛ2 предназначен для технологического контроля величины напряжения в электрических цепях переменного тока, как в промышленных зонах, так и сферах ЖКХ, бытовом секторе, прочих объектах народного хозяйства. Вольтметр может применяться в составе систем автоматизированного контроля и управления технологическими процессами в качестве основных или дополнительных индикаторов на передвижных и стационарных объектах. Являются средством контроля. Периодической поверке не подлежит.
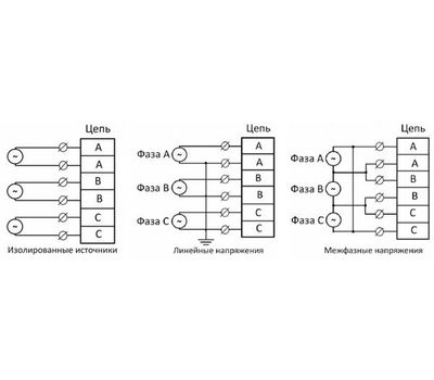
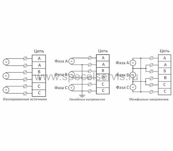
Вольтметр выпускается в унифицированном пластмассовом корпусе с передним присоединением проводов питания. Крепление осуществляется на монтажную рейку-DIN шириной 35мм (ГОСТ Р МЭК 60715-2003) или на ровную поверхность. Для установки вольтметра на ровную поверхность замки необходимо раздвинуть. Конструкция клемм обеспечивает надёжный зажим проводов сечением до 2,5мм2. На лицевой панели расположены трёх разрядные семисегментные индикаторы красного цвета отображающие величину напряжения питания в каждой фазе. Вольтметр содержит три гальванически развязанных цепи измерения. Вольтметр, в зависимости от схемы подключения, может использоваться для контроля напряжения в независимых линиях или в трёхфазных сетях для контроля линейных или фазных напряжений..
Вольтметр не требуют оперативного питания и подключаются непосредственно в измеряемую цепь. Для контроля напряжения в однофазных сетях подключение любого входа производится без учёта расположения фазного и нулевого проводников. Для контроля линейных напряжений в трёхфазных сетях нулевую шину следует подключить к каждому входу вольтметра. Для контроля фазных напряжений подключение каждого входа вольтметра производится между фазами.
Если в процессе работы напряжение в любой измеряемой линии падает до значения менее 15В, текущее значение напряжения на индикаторе соответствующей линии начинает мигать с периодичностью 1с. Если в процессе работы напряжение в любой измеряемой линии превышает значение 450В, текущее значение напряжения на индикаторе соответствующей линии начинает мигать с периодичностью 1с.
Основные особенности ВР-М03 АС50-450В УХЛ2:
- Три независимых вольтметра в одном корпусе
- Можно измерять не только фазные, но и линейные напряжения
- Можно измерять напряжения трёх независимых источников напряжения
- Питание от контролируемого напряжения
- Класс точности 1,0
- Индикация пониженного/повышенного напряжения на входе
Технические параметры АС50-450В УХЛ2:
- Частота измеряемого напряжения Гц 45...70
- Диапазон измеряемого напряжения В А С15...450
- Потребляемая мощность, не более ВА 2
- Степень защиты: корпус/клеммы по ГОСТ 14254-96 IP40/IP20
- Диапазон рабочих температур °С -40…+55
- Электрическая прочность между измерительными линиями 1500 (50Гц - 1мин)
- Относительная влажность воздуха % до 80 при 25°С
- Габаритные размеры мм 18x93x62
- Масса кг 0,06
