МС-04 УХЛ2 – Описание
НАЗНАЧЕНИЕ:
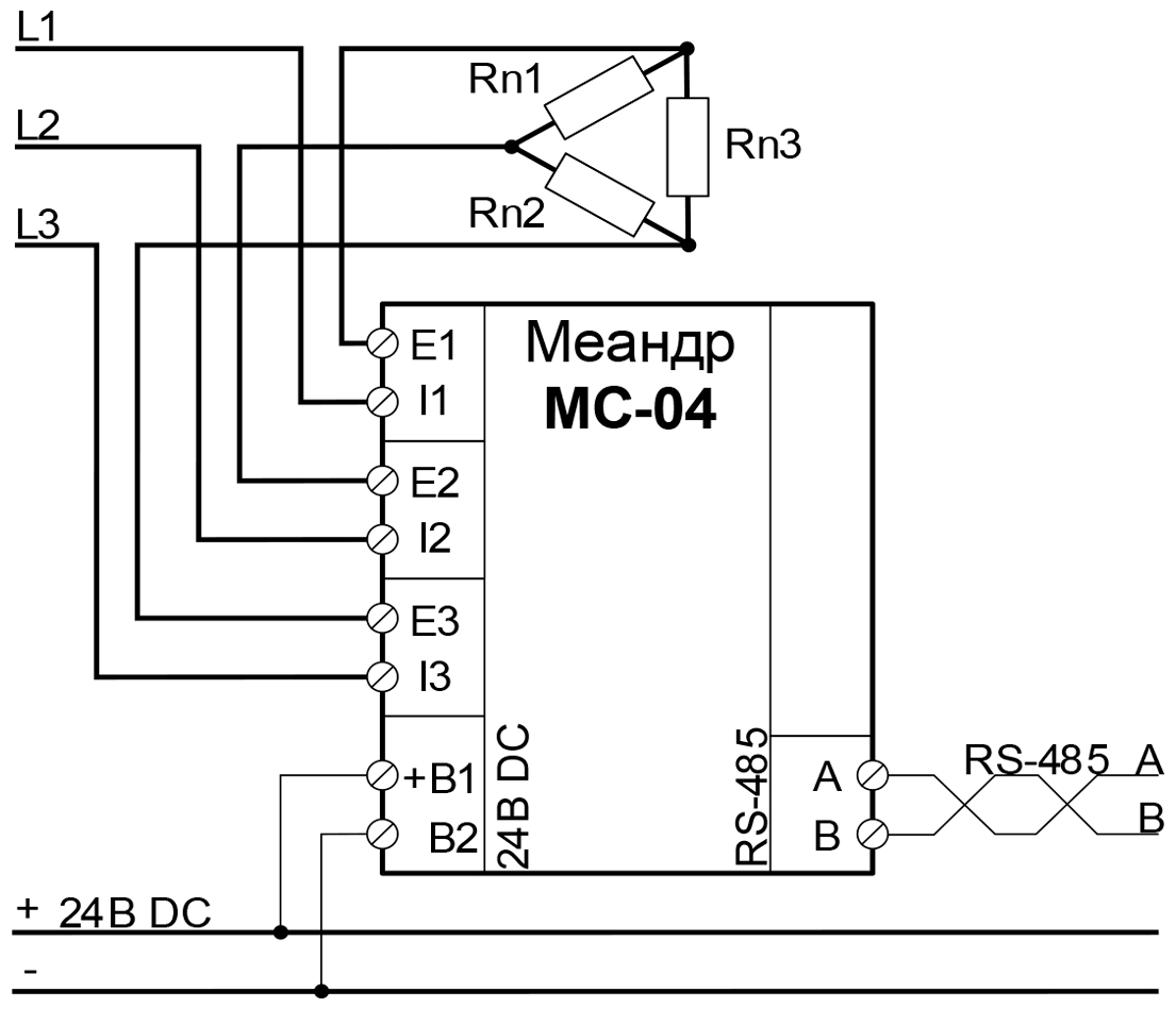
Модуль сопряжения (МС-04) - предназначен для непрерывного измерения действующей (True RMS) силы тока до 5 А в 3-х фазой сети переменного напряжения или 3-х отдельных цепей (при использовании внешнего трансформатора измеряемый ток может быть увеличен).
Управление и передача данных осуществляется через интерфейс RS-485 по протоколу Modbus RTU.
КОНСТРУКЦИЯ:
Устройство выпускаются в унифицированном пластмассовом корпусе.
Крепление осуществляется на рейку DIN шириной 35 мм (ГОСТ Р МЭК 60715-2003) или на плоскость. Для установки на плоскость замки фиксации к DIN рейке раздвигаются, через открывшиеся отверстия производится закрепление к плоскости.
Клеммы винтовые. Доступ к головкам винтов со стороны лицевой панели.
На лицевой панели устройства расположены:
- Кнопка Сброс.
- Индикатор RS485, синий. Светиться при передаче данных устройством.
- Индикатор U, зелёный. Светится при наличии питания.
Устройство содержит 3 идентичных независимых канала измерения со встроенными измерительными трансформаторами тока на входе.



МС-04 УХЛ2 – Характеристики
Технические характеристики:
- Напряжение питания DC: 22 ... 26 В;
- Мощность потребления, не более: 1 Вт;
- Развязка гальваническая Питание - Остальные клеммы: Да;
- Количество измерительных каналов: 3;
- Ток измеряемый: 0,2 ... 5,01 А;
- Погрешность измерения тока, не более: 5%+0,01 (AC 45...65 Гц) А;
- Ток максимальный: 5 А;
- Частота измеряемая: 3,5 ... 500,0 Гц;
- Погрешность измерения частоты, не более: 2%+0,01 Гц;
- Интерфейс: RS-485;
- Скорость передачи данных: 9600, 14400, 19200, 28800, 38400, 57600, 76800, 115200 бит/c;
- Сопротивление входное, не менее: 7 кОм;
- Терминатор линии встроенный: отсутствует;
- Протокол: Modbus RTU;
- Время готовности, не более: 600;
- Напряжение Питание - другие клеммы, не более: 1000 В;
- Напряжение Клеммы (E-E1) - другие клеммы, не более: 2000 В;
- Тип клемм: винтовые;
- Сечение подключаемых к клеммам проводников, не более: 2,5 мм2;
- Габаритные размеры: 35 x 93 x 62 мм;
- Климатическое исполнение и категория размещения по ГОСТ 15150-69 (без образования конденсата): УХЛ4, УХЛ2;
- Диапазон рабочих температур: -25…+55 (УХЛ4) °С, -40…+55 (УХЛ2) °С;
- Температура хранения: -40…+70 °С;
- Относительная влажность, не более: 80 (25 °С) %;
- Степень защиты по корпусу по ГОСТ 14254-96: IP40;
- Степень защиты по клеммам по ГОСТ 14254-96: IP20;
- Режим работы: круглосуточный;
- Положение рабочее в пространстве: произвольное
