А-05-03 – Описание
Амперметр цифровой А-05-03
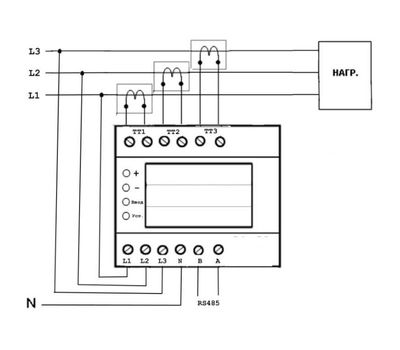
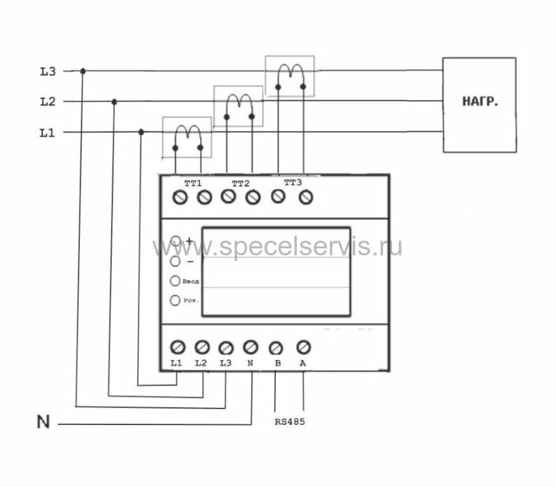
Предназначен для измерения среднеквадратичного значения величины переменного тока частотой 50 Гц по трем независимым каналам. Амперметр рассчитан на работу с различными трансформаторами тока с током вторичной обмотки 5 А.
Вывод информации осуществляется на встроенный индикатор.
Амперметр А-05-03 выполнен в корпусе для установки на DIN-рейку.
На передней панели блока находятся цифровой индикатор и кнопки управления.
Цепи питания и измерения гальванически разделены.
В нижней и верхней части изделия находятся клеммные колодки для подключения блока к сети и к вторичным обмоткам трансформаторов тока. Питание амперметра осуществляется непосредственно от контролируемой сети.
Гарантийный срок – 2 года.
Класс защиты – 0, ЭМС по ГОСТ Р50033.92
Технические параметры А-05-03:
- Номинальная мощность (ток фазы) 5 А
- Номинальное напряжение 220±10% В; 50 Гц
- Габаритные размеры 71 х 90 х 65 мм
- Температура эксплуатации -40…+45 °С
- Вес 0,2 кг
