РВО-15 AC400В УХЛ2 – Описание
Особенности:
- Диапазон выдержки времени от 0,1 с до 99 ч
- Установка выдержек времени осуществляется с помощью двух поворотных декадных переключателей и DIP переключателем
- Две диаграммы работы
- 2 переключающие группы 8 А/250 В
- Индикатор состояния встроенного реле, индикатор наличия питания
- Корпус шириной 1 модуль (18 мм)
НАЗНАЧЕНИЕ РЕЛЕ:
Реле времени РВО-15 (далее реле) предназначено для выдачи команд в цепи схем управления через контакты реле после отработки установленной выдержки времени по заданному алгоритму работы.
КОНСТРУКЦИЯ РЕЛЕ:
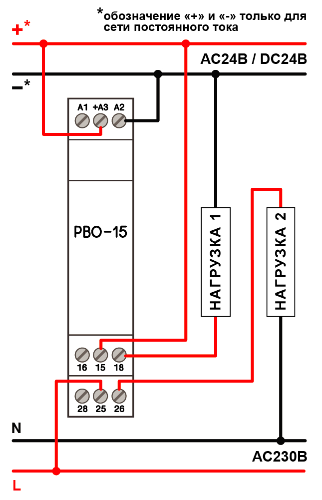
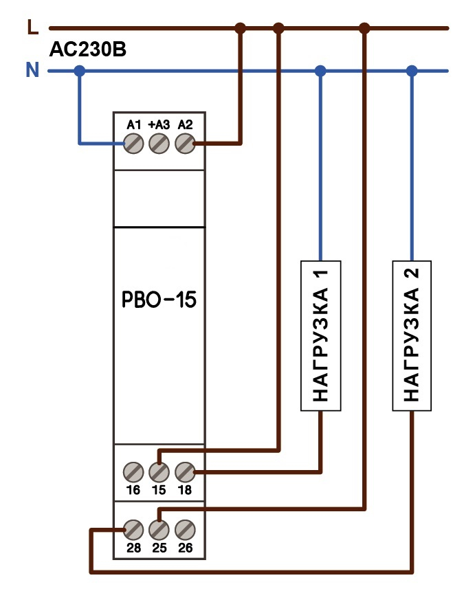
Реле выпускаются в унифицированном пластмассовом корпусе с передним присоединением проводов питания и коммутируемых электрических цепей. Крепление осуществляется на монтажную рейку-DIN шириной 35 мм (ГОСТ Р МЭК 60715-2003) или на ровную поверхность. Для установки реле на ровную поверхность, фиксаторы замков необходимо переставить в крайние отверстия, расположенные на тыльной стороне корпуса. Конструкция клемм обеспечивает надёжный зажим проводов сечением до 2,5 мм2. На лицевой панели реле расположены: два поворотных переключателя для задания выдержки времени t (установка значений единиц 0-9 и десятков 0-9), блок переключателей “множитель” для выбора диаграммы работы и задания временного диапазона, зелёный индикатор включения питания «U», жёлтый индикатор срабатывания встроенного исполнительного реле.
РАБОТА РЕЛЕ:
Диаграмма работы и диапазон выдержки времени выбираются при помощи блока переключателей «1-4». Для каждой диаграммы можно выбрать один из восьми диапазонов выдержки времени установив переключатели 1-3 в соответствующее положение. Диаграмма работы реле определяется положением переключателя «4». Требуемая временная выдержка t устанавливается поворотными переключателями, первая значащая цифра - переключателем «ДЕС.», вторая значащая цифра - переключателем «ЕД.».
ВНИМАНИЕ: Для изменения диапазона выдержки времени реле необходимо выключить.






РВО-15 AC400В УХЛ2 – Характеристики
Технические характеристики:
- Диапазоны выдержек времени: 0,1-9,9 c, 1-99 c, 10-990 c, 0,1-9,9 мин, 1-99 мин, 10-990 мин, 0,1-9,9 ч, 1-99 ч;
- Погрешность установки выдержки времени, не более: 10 %;
- Погрешность отсчета выдержки времени, не более: 2 %;
- Время готовности, не более: 0,15 сек;
- Время повторной готовности, не более: 0,1 сек;
- Диаграммы работы: 1, 2;
- Максимальный коммутируемый ток: АС250 В 50 Гц (АС1)/DC30 В (DC1): 8 А;
- Максимальное коммутируемое напряжение: 400 (AC1/2 A) В;
- Максимальная коммутируемая мощность: АС250В 50Гц (АС1)/DC30В (DC1): 2000/240 ВА/Вт;
- Максимальное напряжение между цепями питания и контактами реле: AC2000 (50 Гц - 1 мин) В;
- Потребляемая мощность: 2 ВА;
- Механическая износостойкость, не менее: 10х106 циклов;
- Электрическая износостойкость, не менее: 100000 циклов;
- Количество и тип контактов: 2 переключающие группы;
- Диапазон рабочих температур (по исполнениям): -25…+55 (УХЛ4) 0C, -40…+55 (УХЛ2) 0C;
- Температура хранения: -40...+70 0C;
- Помехоустойчивость от пачек импульсов в соответствии с ГОСТ Р 51317.4.4-99 (IEC/EN 61000-4-4): уровень 3 (2 кВ/5 кГц);
- Помехоустойчивость от перенапряжения в соответствии с ГОСТ Р 51317.4.5-99 (IEC/EN 61000-4-5): уровень 3 (2 кВ А1-А2);
- Климатическое исполнение и категория размещения по ГОСТ 15150-69 (без образования конденсата): УХЛ4 или УХЛ2;
- Степень защиты реле по корпусу/по клеммам по ГОСТ 14254-96: IP40/IP20;
- Степень загрязнения в соответствии с ГОСТ 9920-89: 2;
- Относительная влажность воздуха: до 80 % (при 250 0C);
- Высота над уровнем моря: 2000 м;
- Рабочее положение в пространстве: произвольное;
- Режим работы: круглосуточный;
- Габаритные размеры: 18х93х62 мм;
- Масса: 0,07 кг
