РИО-1М ACDC24B УХЛ2 – Описание
Особенности:
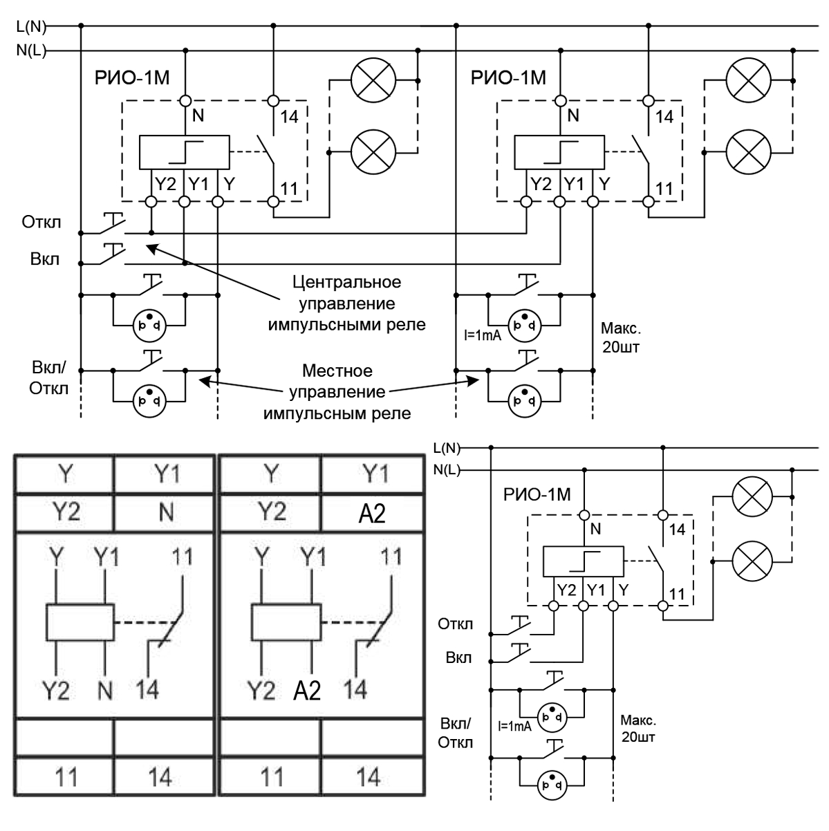
- Управление освещением из нескольких мест: в коридоре, на лестнице, во всем доме и т.п.
- Отдельные входы для сигналов управления вкл. и выкл
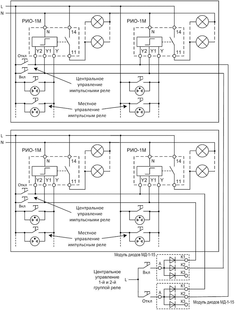
- Централизованное управление: одним выключателем или кнопкой можно выключить или включить все осветительные приборы
- Исключение подгорания контактов выключателей
- Технология синхронной коммутации контактов «zero sync»
- Возможность использовать выключатели с подсветкой
НАЗНАЧЕНИЕ:
Импульсное реле освещения РИО-1М (далее - реле) предназначено для дистанционного включения или отключения цепей осветительных приборов. Реле обеспечивает управления освещением в коридоре, на лестнице, этаже и т.п. с помощью кнопок, в том числе с подсветкой Подключение входов управления через модуль диодов позволяет формировать поэтажные и централизованные системы управления освещением здания.
КОНСТРУКЦИЯ:
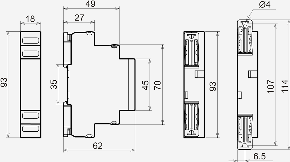
Реле выпускаются в унифицированном пластмассовом корпусе с передним присоединением коммутируемых цепей. Крепление осуществляется на монтажную рейку-DIN шириной 35 мм (ГОСТ Р МЭК 60715-2003) или на ровную поверхность. Для установки реле на ровную поверхность пружины замков необходимо переставить в крайние отверстия. Конструкция клемм обеспечивает надёжный зажим проводов сечением до 2.5 мм2 .
РАБОТА РЕЛЕ:
Реле не требует оперативного питания. Состояние реле сохраняется до подачи команды (независимо от наличия питания). Питание устройства происходит через вход управления. Реле имеет три входа управления имеющие различные назначения и приоритет. На входы управления допускается подача сигналов с разных фаз, одновременная подача сигналов на 2 или 3 входа управления не рекомендуется. При поступлении команды управления на вход Y1 контакты 11-14 замыкаются. При поступлении команды управления на вход Y2 контакты 11-14 размыкаются. При поступлении команды управления на вход Y состояние контактов 11-14 последовательно меняется на противоположное. Вход Y2 имеет наивысший приоритет (если на вход Y2 подан длительный сигнал, то сигналы с входов Y и Y1 в этот момент будут устройством проигнорированы).
В реле использована технология синхронной коммутации контактов - «zero sync», что обеспечивает высокую нагрузочную способность контактной группы. Замыкание и размыкание контактов производится в момент перехода сетевого напряжения через «0», что обеспечивает ограничение броска тока в момент замыкания или размыкания контактов. Эта технология продлевает срок службы ламп накаливания и галогенных ламп, а так же позволяет исключить подгорание контактов встроенного исполнительного реле.
ВНИМАНИЕ: «zero sync» работает, только если подача управления происходит от той же фазы, от которой питается нагрузка.
ВНИМАНИЕ: В конструкции изделия применено поляризованное электромагнитное реле с двумя устойчивыми состояниями. Удары во время транспортировки могут привести к переключению контактов. При первом включении исходное (выключенное) состояние контактов восстанавливается. Не устанавливать реле в зоне повышенной вибрации или рядом с приборами, вызывающими вибрацию при срабатывании (например мощные пускатели и др.).




РИО-1М ACDC24B УХЛ2 – Характеристики
Технические характеристики:
- Минимальное время подачи сигнала управления, не менее: 0,3 сек;
- Максимальное время подачи сигнала управления: не ограничено;
- Количество кнопочных выключателей с индикатором тлеющего разряда с током 1 мА по входу «Y», не более: 20 шт.;
- Количество кнопочных выключателей с индикатором тлеющего разряда с током 1мА по входу «Y1», «Y2», не более: 5 шт.;
- Задержка срабатывания реле, не более: 0,25 сек;
- Номинальное/максимальное коммутируемое напряжение: 250/400 В;
- Максимальный коммутируемый ток: АС250В 50Гц (АС1) / DC30В (DC1): 16 А
- Максимальный коммутируемый ток (<4с при скважности 10): 30 А;
- Максимальная нагрузка светодиодными лампами: 200 Вт;
- Максимальная нагрузка лампами накаливания: 200 Вт;
- Максимальная коммутируемая мощность: АС250В 50 Гц (АС1)/DC30 В (DC1): 4000/480 ВА/Вт;
- Минимальная коммутируемая мощность (100В/5 мA): 500 мВт;
- Электрическая прочность (питание - контакты) (50Гц - 1мин): AC2000 В
- Механическая износостойкость, не менее: 10х106 циклов;
- Электрическая износостойкость, не менее: 100000 циклов;
- Максимальная частота коммутаций, не более: 600 комм./ч;
- Присоединение: 0,35 ÷ 2,5 мм2;
- Количество и тип контактов: 1 замыкающий;
- Диапазон рабочих температур: -25.....+55 0C;
- Температура хранения: -40....+70 0C;
- Помехоустойчивость от пачек импульсов в соответствии с ГОСТ Р 51317.4.4-99 (IEC/EN 61000-4-4): уровень 3 (2 кВ/5 кГц);
- Помехоустойчивость от перенапряжения в соответствии с ГОСТ Р 51317.4.5-99 (IEC/EN 61000-4-5): уровень 3 (2 кВ А1-А2);
- Климатическое исполнение и категория размещения по ГОСТ 15150-69 (без образования конденсата): УХЛ4;
- Степень защиты по корпусу/по клеммам по ГОСТ 14254-96: IP40/IP20;
- Степень загрязнения в соответствии с ГОСТ 9920-89: 2;
- Относительная влажность воздуха: до 80 % (при 0C);
- Высота над уровнем моря: до 2000 м;
- Рабочее положение в пространстве: произвольное;
- Режим работы: круглосуточный;
- Габаритные размеры: 13х93х62 мм;
- Масса, не более: 0,08 кг
