МУАВР-1 AC230/400В УХЛ2 – Описание
Особенности:
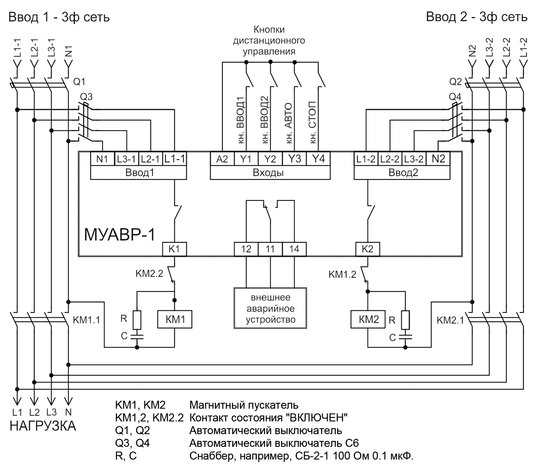
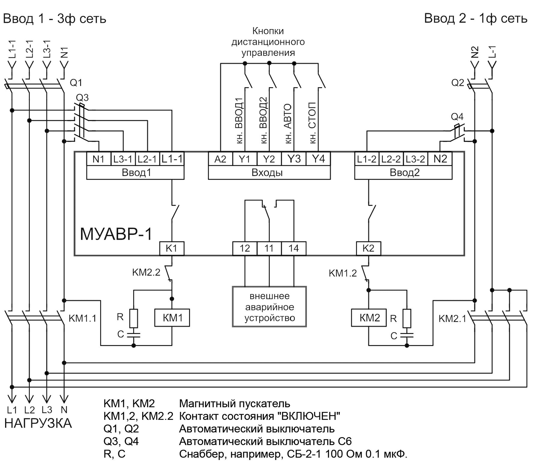
- Ввод 1 и Ввод 2 изолированы друг от друга
- Работа, как с трёхфазными, так и с однофазными вводами в любых комбинациях
- Установка порогов Uмин и Uмакс
- Контроль наличия, обрыва, порядка чередования фаз для Ввода 1 и Ввода 2
- Установка времени срабатывания от 0,1 до 60 секунд
- Нагрузочная способность по выходам К1, К2, Авария - 5А/АС250V
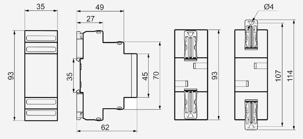
- Компактный корпус 35 мм
НАЗНАЧЕНИЕ МОДУЛЯ
Модуль контролирует напряжение на основном и резервном вводах 1-фазной или 3-фазной сетей. Если напряжение в пределах нормы, питание нагрузки осуществляется от ввода с установленным приоритетом (ввод 1).
Подключение нагрузки обеспечивает коммутационное устройство (КМ) электромагнитного типа, контактор или пускатель управляемые модулем. При аварии на основном вводе производится отключение нагрузки от основного ввода и переключение на резервный ввод. При восстановлении питания на основном вводе нагрузка автоматически переключается с резервного ввода на основной (при установленном приоритете линии).
КОНСТРУКЦИЯ МОДУЛЯ
Модуль выпускается в унифицированном пластмассовом корпусе с передним присоединением проводов питания и коммутируемых электрических цепей. Крепление осуществляется на монтажную рейку-DIN шириной 35 мм (ГОСТ Р МЭК 60715-2003) или на ровную поверхность. Для установки реле на ровную поверхность замки необходимо раздвинуть, крепление осуществляется винтами или шурупами через отверстие в фиксаторе. Конструкция клемм обеспечивает надёжный зажим проводов сечением до 2.5мм2. Материал корпуса - пластик ABC.
На лицевой панели размещены:
- СД индикаторы включения встроенных реле: жёлтый - К1 и К2 реле включено (если мигает - происходит отсчёт времени включения или отключения соответствующего ввода). К1 мигает редко - отсчёт времени возврата на приоритетный ввод. К1 и К2 мигают одновременно - ошибка однократности (см. п «Защита от циклического переключения между вводами» в паспорте).
- СД индикаторы готовности вводов: зеленый - ГОТОВ (параметры ввода в допуске), красный - НЕ ГОТОВ (мигает один раз - авария по L1, мигает два раза - авария по L2, мигает три раза - авария по L3, мигает четыре раза - нарушение порядка чередования фаз или слипание фаз на вводе.
- СД индикатор автоматического/ручного режима работы; синий - АВТО (светится - режим авто, не светится - ручной режим, изредка помигивает - режим стоп).
- СД индикатор КЗГ (контакт запуск генератора): жёлтый - включён, когда замкнуты 11-12 контакты (включается только в режиме работы ввод2 - ГЕНЕРАТОР).
- Три поворотных ручки для установки верхнего и нижнего порогов напряжения и времени отключения (устанавливаются для обоих вводов).
- Кнопка - тест генератора позволяет включить на 2минуты/выключить генератор в режиме «ввод2 - генератор» при подключённой нагрузке к ввод1 (размыкает контакты 11-14 и замыкает контакты 11-12).
ВНИМАНИЕ: В состоянии поставки устройство находится в режиме СТОП. Для начала работы АВР требуется задать другой режим работы.









МУАВР-1 AC230/400В УХЛ2 – Характеристики
Технические характеристики:
- Тип контролируемых линий ( 3-х фазная, 4-х проводная): L1, L2, L3, N;
- Количество контролируемых вводов: 2;
- Напряжение питания ввод1, ввод2 (Uф): 150-350 В;
- Допустимое напряжение между нейтралями вводов, не более: 40 В;
- Частота сети: 45-65 Гц;
- Максимальный ток нагрузки, АС1/при напряжении: 5 (250 В AC1);
- Пороги отключения Ввод 1, Ввод 2 по Uмакс: 240, 250, 260, 265, 270, 275, 280, 285, 290, 295 В;
- Пороги отключения Ввод 1, Ввод 2 по Uмин: 165, 170, 175, 180, 185, 190, 195, 200, 210, 220 В;
- Погрешность порога срабатывания: ±4 В;
- Ширина зоны «гистерезиса» порога срабатывания: ±4 В;
- Задержка на отключение: 0,1, 0,5, 1, 2, 3, 5, 10, 20, 30, 60 сек;
- Задержка на включение: 0,2, 5, 60, 120 сек;
- Контроль обрыва фазы: Есть;
- Контроль чередования фаз: Есть;
- Контроль слипания фаз: Есть;
- Коммутационная износостойкость, не менее: 1X106;
- Электрическая износостойкость, не менее: 1X104 (5 А 250 В AC1 цикл: 1с Вкл/9 c Выкл);
- Климатическое исполнение и категория размещения по ГОСТ 15150-69 (без образования конденсата): УХЛ4, УХЛ2;
- Диапазон рабочих температур: -25...+55 (УХЛ4) °С, -40...+55 (УХЛ2) °С;
- Температура хранения: -40…+70 °С;
- Помехоустойчивость от пачек импульсов в соответствии с ГОСТ Р 51317.4.4-99 (IEC/EN 61000-4-4): уровень 3 (2кВ/5кГц);
- Помехоустойчивость от перенапряжения в соответствии с ГОСТ Р 51317.4.5-99 (IEC/EN 61000-4-5: уровень 3 (2кВ L1-L2);
- Степень защиты по корпусу / по клеммам по ГОСТ 14254-96: IP54/IP20;
- Степень загрязнения в соответствии с ГОСТ 9920-89: 2;
- Относительная влажность воздуха: до 80 % (250 °С);
- Высота над уровнем моря: 2000 м;
- Рабочее положение в пространстве: произвольное;
- Режим работы круглосуточный: кргулосуточный;
- Габаритные размеры: 35х62х93 мм;
- Масса, не более: 0,14 кг
