0
Ваша Корзина
АВР-1/1-М – Описание
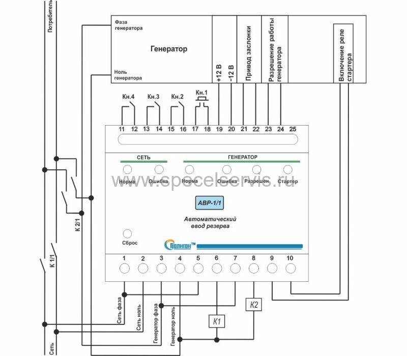
Автомат ввода резерва «АВР-1/1»
Предназначено для контроля напряжения по однофазному входу, и управления бензиновым однофазным генератором, коммутации нагрузки с помощью внешнего исполнительного устройства.
Блок «АВР-1/1» выполнен в корпусе для установки на DIN-рейку или монтажную панель.
На передней панели блока индикаторы состояния сети, работы генератора и индикаторы состояния реле.
В нижней части блока находятся клеммные колодки для подключения блока.
Питание блока осуществляется от аккумулятора генератора.
Технические параметры АВР-1/1:
- Масса 0,4 кг
- Габаритные размеры 88 х 90 х 58 мм
- Номинальное напряжение, В, Гц АС-220/50, DC-12
- Диапазон верхнего порога напряжения отключения по входу «Сеть», max 248 ± 3 В
- Диапазон нижнего порога напряжения отключения по входу «Сеть», min 179 ± 3 В
- Время подключения генератора к нагрузке после запуска ЛЕТО 8 ± 0,5 с
- Время подключения генератора к нагрузке после запуск ЗИМА 190 ± 9,5 с
- Время холостого хода генератора после отключения нагрузки 50 ± 2,5 сек
- Время ожидания восстановления сетевого напряжения при аварии сети до попытки запуска генератора 8 ± 0,5 с
- Время подключения сети к нагрузке после восстановления по входу «Сеть» 8 ± 0,5 с
- Режим работы заслонки (время включения) NO_IC6000 = времени работы стартера+1 ± 0,05 с
- Режим работы заслонки (время включения) IC6000 2 ± 3 с
- Режим «ЭКО» время работы/паузы 60 ± 3 мин
- Время нажатия на кнопку «Сброс ошибки/ТЕСТ» для запуска теста генератора 5 ± 0,5 с
- Ограничение времени работы стартера 3,25 ± 0,25 с
- Пауза между попытками запуска генератора 30 ± 1,5 с
- Кол-во попыток запуска генератора 3
- Периодичность тестового запуска генератора 10 суток
- Время работы генератора в режиме тестового запуска 50 ± 2,5 с
- Время подачи напряжения на привод заслонки Открыть/Закрыть 1 ± 0,05 с
- Коммутируемый ток контактов по DС 12, max 10 А
- Коммутируемый ток контактов по АС 220, max 7 А
