УБЗ-301 5-50А – Описание
УНИВЕРСАЛЬНЫЙ БЛОК ЗАЩИТЫ ЭЛЕКТРОДВИГАТЕЛЕЙ УБЗ-301 (5 – 50 А)
НАЗНАЧЕНИЕ
Универсальный блок защиты электродвигателей УБЗ-301 (5-50 А) (далее по тексту блок) предназначен для постоянного контроля параметров сетевого напряжения и действующих значений фазных/линейных токов трехфазного электрооборудования 380 В/50 Гц, в первую очередь, асинхронных электродвигателей (ЭД), мощностью от 2,5 кВт до 25 кВт, в том числе и в сетях с изолированной нейтралью.
Осуществляет полную и эффективную защиту электрооборудования отключением от сети и/или блокированием его пуска в следующих случаях:
- некачественном сетевом напряжении (недопустимые скачки напряжения, обрыв фаз, нарушение чередования и слипания фаз, перекос фазных/линейных напряжений);
- механических перегрузках (симметричный перегруз по фазным/линейным токам) – защита от перегруза с зависимой выдержкой времени;
- несимметричных перегрузок по фазным/линейным токам, связанных с повреждениями внутри двигателя – защита от перекосов фазных токов с последующим запретом АПВ;
- несимметрии фазных токов без перегруза, связанных с нарушением изоляции внутри двигателя и/или подводящего кабеля;
- исчезновении момента на валу ЭД («сухой ход» - для насосов) – защита по минимальному пусковому и/или рабочему току;
- при недопустимо низком уровне изоляции на корпус – проверка перед включением с блокировкой пуска при плохой изоляции;
- замыкании на «землю» обмотки статора во время работы – защита по токам утечки на «землю».
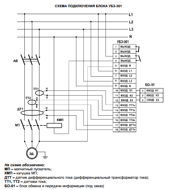
Блок обеспечивает защиту электрооборудования путем управления катушкой магнитного пускателя (контактора).
Выполняет следующие функции:
- простую и точную установку номинального тока ЭД, используя стандартную шкалу номинальных токов;
- установку рабочего тока ЭД, отличного от стандартных значений с учетом длительно допустимой перегрузки;
- срабатывание по перегрузу с зависимой выдержкой времени;
- возможность сдвигать токо-временную характеристику как по оси токов, так и по оси времени;
- выставление порогов срабатывания по минимальному/максимальному напряжению, перекосу линейных напряжений и фазных токов, а также времени автоматического повторного включения, по усмотрению заказчика, самостоятельно;
- индикацию вида аварии, наличия сетевого напряжения, токового диапазона, на который настроен блок, и включения нагрузки;
- через блок обмена БО-01 позволяет осуществлять обмен и передачу информации по протоколу RS-485 (БО-01 поставляется под заказ).
ТЕХНИЧЕСКИЕ ХАРАКТЕРИСТИКИ
- Номинальное линейное напряжение: 380 В
- Частота сети: 45-55 Гц
- Диапазон номинальных токов: 5-50 А
- Диапазон выставления рабочего тока: + 15 % от ном.
- Диапазон регулирования времени при 2-х кратной перегрузке: 10-100 с
- Диапазон регулирования порога по напряжению: + (5-20)% от ном.
- Диапазон регулирования по перекосу фаз: 5-20 %
- Диапазон регулирования порога срабатывания по Iмин: 0-75% от раб. (ном.)
- Диапазон регулирования времени АПВ (Твкл): 0-600 с
- Время первого включения нагрузки при Твкл= 0: 2-3 с
- Время срабатывания при авариях по напряжению: 2 с
- Время срабатывания при авариях по току, кроме перегруза: 2 с
- Фиксированная уставка срабатывания по току утечки: 0,5 А
- Порог контроля сопротивления изоляции: 500+20 кОм
- Гистерезис по напряжению (фазн/лин): 10/17 В
- Гистерезис по теплу: 33% от накопленного при отключении
- Точность определения порога срабатывания по току: не более 2-3 % от Iном
- Точность определения порога по напряжению: не более 3 В
- Точность определения перекоса фаз: не более 1,5 %
- Напряжение, при котором сохраняется работоспособность: 50-150 % от ном.
- Потребляемая мощность (под нагрузкой): не бопее 3,0 ВА
- Максимальный коммутируемый ток выходных контактов: 5 А
- Коммутацион. ресурс выходных контактов: - под нагрузкой 5А не менее 100 тыс.раз - под нагрузкой 1А не менее 1 млн.раз
- Степень защиты: - прибора IP40 - клеммника IP20
- Климатическое исполнение: УХЛ4
- Диапазон рабочих температур: от -35 до +55 °С
- Температура хранения: от -45 до +70 °С
- Масса: не более 0,200 кг
- Габаритные размеры - четыре модуля типа S
- Монтаж - на стандартную DIN-рейку 35 мм
- Положение в пространстве - произвольное


