УЗМ-3-63К AC230В/AC400В УХЛ2 – Описание
Устройство защиты УЗМ-3-63К
Представляет собой многофункциональное реле напряжения и осуществляет защиту оборудования (производственного, административного или жилого назначения) от разрушающего воздействия импульсных скачков напряжения, вызванных срабатыванием близкорасположенных и подключенных к этой же сети электродвигателей, магнитных пускателей или перепадов напряжения на ТП, предотвращая тем самым выход оборудования из строя.
Защитное устройство УЗМ-3-63К сочетает в себе трехфазное реле контроля напряжения, трехфазный контактор 63 А (14,5 кВт) и варисторную защиту от импульсных помех по каждой фазе, которая обеспечивает сохранение работоспособности при воздействии импульсов перенапряжения длительностью 8/20 мкс амплитудой до 8000 А.
- Максимальный ток коммутации по каждой фазе: 63 А (14,5 кВт);
- Рабочее напряжение: 230/400 В АС;
- Защита от перенапряжения: 243…297 В (декадный переключатель);
- Защита от снижения напряжения: 163…217 В (декадный переключатель);
- Встроенная варисторная защита от импульсов сетевого напряжения;
- Регулируемая задержка повторного включения: от 2 секунд до 8 минут;
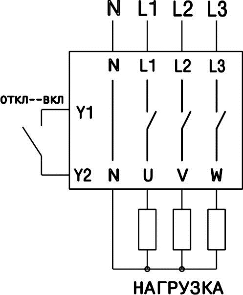
- Наличие клеммы для дистанционного управления;
- Диапазон рабочих температур: -25…+55 °С.
Обратите внимание, что если у вас нет трехфазных потребителей, то лучше установить по одной штуке УЗМ-51М на каждую фазу, чем одно трехфазное устройство защиты, так как, в последнем случае, при пропадании одной из фаз, трехфазное реле напряжения отключит также и оставшиеся две исправные фазы.
Устройство защиты УЗМ-3-63К АC 230/400В полностью заменяет снятые с производства УЗМ-3-63 АС 230/400В исполнений УХЛ4 и УХЛ2. Отличие от старых моделей заключается в наличии клемм дистанционного управления для коммутации нагрузки замыканием «сухого» контакта. При аварийном состоянии сети (обрыв фазы, неправильное чередование фаз и пр.) реле не включится.
Диаграммы работы устройства

Схема подключения

Габаритные размеры устройства

