ЕЛ-11М-15 АС400В УХЛ2 – Описание
Реле ЕЛ-11М-15 АС400В УХЛ2
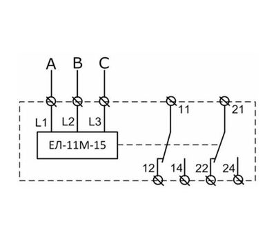
Реле контроля фаз предназначено для использования в схемах автоматического управления для контроля напряжения в трёхфазных сетях без нулевого провода, для контроля порядка чередования фаз, обрыва и «слипания» фаз, превышения (снижения) напряжения выше (ниже) фиксированного значения, а также контроля асимметрии фаз. Реле предназначено для защиты источников и преобразователей электрической энергии.
ЕЛ-11М-15 АС400В УХЛ2 изготавливается в стандартном исполнении и устанавливается на ДИН-рейку либо на ровную поверхность. На лицевой панели прибора расположены: регулятор времени срабатывания, зелёный индикатор наличия напряжения питания в трёхфазной цепи «U» и жёлтый индикатор включения встроенного исполнительного реле «R».
Основные особенности:
- Контроль линейных напряжений (работает без нулевого провода)
- Отключение при превышении линейных напряжений >1,3 Uном
- Отключение при снижении напряжения 0,8 Uном
- Отключение при асимметрии фаз >30%
- Контроль порядка чередования фаз
- Обнаружение обрыва фаз
- Регулируемая задержка срабатывания от 0,1 до 10с
- Питание реле осуществляется от контролируемой сети
Технические характеристики:
- Номинальное напряжение AC 400 В
- Диапазон допустимого напряжение питания 210...560 В
- Частота напряжения питания 50 Гц
- Потребляемая мощность, не более 2 ВА
- Рабочая температура -40...55 С
- Габаритные размеры 17,5*90*63 мм
- Масса 65 г
Характеристики серии реле контроля фаз ЕЛ-11М-15 смотрите на вкладке "Прикрепленные файлы".
В интернет-магазине Спецэлсервис вы можете купить ЕЛ-11М-15 АС400В УХЛ2 по разумной цене.
Возможны индивидуальные условия поставки оптового количества.
Самовывоз осуществляется с Московского склада бесплатно, с условиями доставки по России ознакомьтесь здесь.
