РКТ-3-15 AC5А ACDC24В УХЛ4 – Описание
Особенности:
- Питание ACDC50-270 В или AC/DC24 В (по исполнениям)
- Диапазон контролируемого тока (0,5...5 А) или (1,6...16 A)
- Гальваническая развязка измерительной цепи от цепи питания
- Память аварии
- Инверсия выхода
НАЗНАЧЕНИЕ РЕЛЕ:
Реле контроля тока РКТ-3-15 (далее реле) предназначено для выдачи управляющего сигнала при обнаружении выхода значения тока выше или ниже установленного значения в однофазных сетях. Реле контроля тока служит для контроля перегрузок, потребления и диагностики удалённого оборудования (замыкание, пониженное или повышенное потребление тока).
КОНСТРУКЦИЯ РЕЛЕ:
Реле выпускаются в унифицированном пластмассовом корпусе с передним присоединением проводов питания и коммутируемых электрических цепей. Крепление осуществляется на монтажную рейку-DIN шириной 35 мм (ГОСТ Р МЭК 60715-2003) или на ровную поверхность. Для установки реле на ровную поверхность, фиксаторы замков необходимо переставить в крайние отверстия. Конструкция клемм обеспечивает надёжный зажим проводов сечением до 2,5 мм2.
ВНИМАНИЕ! Во избежание перегрева корпуса, подключение к клеммам Y1 и Y2 реле РКТ-3-15 АС5А выполнять проводом 1,5 мм2, а для реле РКТ-3-15 16А – 2,5 мм2.
На лицевой панели прибора расположены: поворотный переключатель порога срабатывания от максимального тока, поворотный переключатель установки задержки срабатывания t в режиме максимального и минимального тока, синий индикатор (активен, когда контакты 11 и 14 замкнуты), красный индикатор (активен, когда контакты 11 и 12 замкнуты), DIP-переключатель позволяющий включить дополнительные функции (пер.1—инверсия работы выходного реле, пер.2—включает память аварии (сброс только по снятию питания), пер 3 и 4 – задают время нечувствительности t1).
РАБОТА РЕЛЕ:
Реле имеет два режима работы: режим максимального тока и режим минимального тока. Выбор режима работы осуществляется установкой поворотного переключателя уставки задержки срабатывания в сектор минимального или максимального значения тока. Если переключатель установлен в сектор max то выбран режим максимального тока (срабатывание выше установленного значения), если в положение min - то выбран режим минимального тока (срабатывание ниже установленного значения). Установка порога срабатывания по току (Iпор.) производится в диапазоне 10...100 % от номинального значения измеряемого тока.
Реле имеет время нечувствительности «t1» для исключения срабатывания от переходных процессов после подачи питания. В течение этого времени реле включено независимо от значения тока.
В режиме максимального тока реле включается сразу после подачи питания и остаётся включенным пока значение контролируемого тока не превысит заданный порог срабатывания. Когда значение тока превысит значение уставки, встроенное реле выключится после отсчёта установленной выдержки времени. После снижения значения тока до значения уставки (с учетом гистерезиса) реле включится без задержки. Если во время отсчета задержки срабатывания текущий ток перестанет превышать уставку, отсчет времени срабатывания прекратится, и работа будет продолжена без переключения встроенного реле. В режиме минимального тока реле включается сразу после подачи питания и остаётся включённым пока значение контролируемого тока не упадет ниже заданного порога срабатывания. Когда значение тока упадет ниже уставки, встроенное реле выключится после отсчёта установленной выдержки времени. После возвращения значения тока к значению уставки (с учётом гистерезиса), реле включится без задержки. Если во время отсчета выдержки времени t значение тока вернется в пределы уставки, работа будет продолжена без переключения встроенного реле. В случае снятия питания реле выключится без задержки.
ВНИМАНИЕ! Установка режимов работы и установка времени срабатывания реле осуществляется при выключенном напряжении питания.
Уставка срабатывания встроенного реле выбирается поворотным переключателем в пределах 10...100% от максимального значения тока. Максимальное значение тока определяется типом реле и схемой подключения.
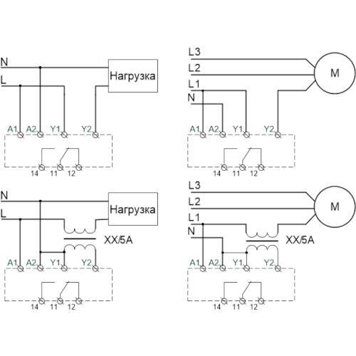
СХЕМЫ ПОДКЛЮЧЕНИЯ

ГАБАРИТНЫЕ РАЗМЕРЫ

РКТ-3-15 AC5А ACDC24В УХЛ4 – Характеристики
Технические характеристики:
- Напряжение питания: AC/DC50-270 В,
AC/DC24 В +/- 10%;
- Потребляемая мощность, не более: 2 ВА;
- Диапазон измерения тока: АС (0,5...5) А;
- Цепь питания/Измерительная цепь:
A1-A2/Y1-Y2;
- Перегрузка по току (длительность 100
мс), не более: 50 А;
- Регулируемый порог срабатывания от
максимального значения тока: 10-100 %;
- Погрешность установки порога
срабатывания: 10%;
- Гистерезис по отношению к пороговому
значению: 10%;
- Фиксированная задержка включения t вкл: 0,5 / 1 / 5 / 10 сек;
- Регулируемая задержка срабатывания реле,
t: 0,1 / 1 / 2 / 4 / 10 сек;
- Максимальный коммутируемый ток: АС250 В
50 Гц (АС1)/DC30 В (DC1): 8 А;
- Максимальная коммутируемая мощность:
АС250 В 50 Гц (АС1)/DC30 В (DC1): 2000 ВА/240 Вт;
- Максимальное напряжение между цепями
питания и контактами реле: АС2000 В (50 Гц - 1 мин);
- Механическая износостойкость, не менее: 10х106
циклов;
- Электрическая износостойкость, не менее:
100000 циклов;
- Количество и тип контактов: 1 НО;
- Диапазон рабочих температур (по
исполнениям): -25…+55 (УХЛ4) °С, -40…+55 (УХЛ2) °С;
- Температура хранения: -40...+70 °С;
- Помехоустойчивость от пачек импульсов в
соответствии с ГОСТ Р 51317.4.4-99(IEC/EN 61000-4-4): уровень 3 (2 кВ/5 кГц);
- Помехоустойчивость от перенапряжения в
соответствии с ГОСТ Р 51317.4.5-99 (IEC/EN 61000-4-5): уровень 3 (2 кВ А1-А2);
- Климатическое исполнение и категория
размещения по ГОСТ 15150-69: УХЛ4 или УХЛ2;
- Степень защиты реле по корпусу/по
клеммам по ГОСТ 14254-96: IP40/IP20;
- Степень загрязнения в соответствии с
ГОСТ 9920-89: 2;
- Относительная влажность воздуха: до 80%
(при 25 °С);
- Рабочее положение в пространстве:
произвольное;
- Режим работы: круглосуточный;
- Габаритные размеры: 18 х 93 х 62 мм;
- Масса: 0,08 кг.
