УЗМ-51М УХЛ2 – Описание
Реле УЗМ-51М УХЛ2
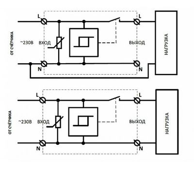
Устройство защиты УЗМ-51М УХЛ2 используется для защиты электроприборов от скачков напряжения; при выходе показаний за установленные границы по верхнему и нижнему пределам, реле произведет выключение коммутируемого оборудования.
При отсутствии в сети защитного устройства типа УЗМ-51М УХЛ2 существенно повышается риск выхода электроприборов из строя и возникновения пожара.
Монтаж прибора осуществляется на DIN-рейку в щит.
Для выставления порогов отключения в приборе предусмотрены специальные ручки. Для перехода к ручному управлению используется кнопка «ТЕСТ». На передней панели имеются индикаторы состояния сети.
Технические характеристики:
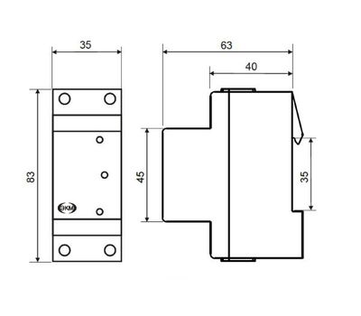
- Размеры: 35 х 83 х 63 мм
- Ток коммутации номинальный 63 А (14 кВт)
- Мощность потребления: 2,2 Вт
- Напряжение питания - номинальное: 230 В; - рабочий диапазон: 0...440 В; - рекомендуемый диапазон: 170...265 В
- Рабочая температура: -40...55 С
Отличительные особенности:
- Защита от перенапряжения 2-х-пороговая/(задержка срабатывания): > 265В/(0,2с) и > 300В/(20мс)
- Защита от импульсных скачков напряжения в сети.
На вкладке "Прикрепленные файлы" вы можете скачать datasheet устройства.
В нашем магазине вы можете купить УЗМ 51М УХЛ2 по низкой цене.
Условия доставки смотрите здесь. Самовывоз осуществляется с нашего склада в Москве бесплатно.
