УЗМ-51 УХЛ2 – Описание
Особенности:
Номинальный ток нагрузки 63 А/250 В (14 кВт)
- Максимальный ток нагрузки 80 А/250 В (18 кВт) - 5мин
- Двухпороговая защита от перенапряжения (задержка срабатывания): >27 0В/0.2 с и >300 В/20 мс
- Двухпороговая защита от снижения напряжения (задержка срабатывания): <155 В/10 с и <130 В/100м с
- Сохраняет работоспособность в широком диапазоне напряжения питания - 0...440 В
- Подключение нагрузки при переходе сетевого напряжения через ноль
НАЗНАЧЕНИЕ УСТРОЙСТВА:
Устройство защиты многофункциональное УЗМ предназначено для отключения оборудования при снижении и повышении сетевого напряжения в однофазных сетях, защиты подключённого к нему оборудования (в квартире, офисе и пр.) от разрушающего воздействия скачков напряжения, тем самым предотвращая выход оборудования из строя и возможное возгорание с последующим пожаром.
Также предназначены для уменьшения пусковых токов при включении ёмкостных нагрузок. Снижение пускового тока осуществляется за счёт замыкания контактов реле при нулевом сетевом напряжении (переходе сетевого напряжения через ноль).
КОНСТРУКЦИЯ УСТРОЙСТВА:
Устройство представляют собой реле контроля напряжения с мощным электромагнитным реле на выходе. Устройство устанавливается на монтажную рейку-DIN шириной 35 мм (ГОСТ Р МЭК 60715-2003) с передним подключением проводов питания коммутируемых электрических цепей. Клеммы туннельной конструкции обеспечивают надёжный зажим проводов суммарным сечением до 35 мм2. В нижней части корпуса выведен провод НВ3-0,75 длиной 50 см, для подключения к нейтральной шине. На лицевой панели УЗМ расположены два индикатора – двухцветный (зелёный/красный) «норма-авария» и жёлтый включения контакта реле, кнопка «ВКЛ/ОТКЛ» ручного управления.
ВНИМАНИЕ: Момент затяжки винтового соединения не должен превышать 2,8 Нм.
РАБОТА УСТРОЙСТВА:
ВНИМАНИЕ! Не заменяет другие аппараты защиты (автоматические выключатели, УЗИП, УЗО и пр.).
Возможно применение в сетях любой конфигурации; TN-C, TN-S, TN-C-S, ТТ.
После подачи напряжения питания устройство выдерживает время готовности 5 секунд при этом индикация не работает, затем зелёный индикатор начинает мигать, указывая на отсчёт выдержки времени включения. Если напряжение находится в допустимых пределах, нагрузка подключается к сети питающего напряжения и зажигаются зелёный и жёлтый индикаторы. Возможно ускоренное включение нагрузки вручную путём нажатия кнопки «ВКЛ/ОТКЛ». После аварийного отключения, включение реле происходит автоматически при восстановлении сетевого напряжения до нормального через время включения 10 секунд или 6 минут.
При попытке ручного включения в аварийном режиме устройство не позволит включить питание на нагрузку.
В рабочем режиме устройство контролирует напряжение питающей сети.
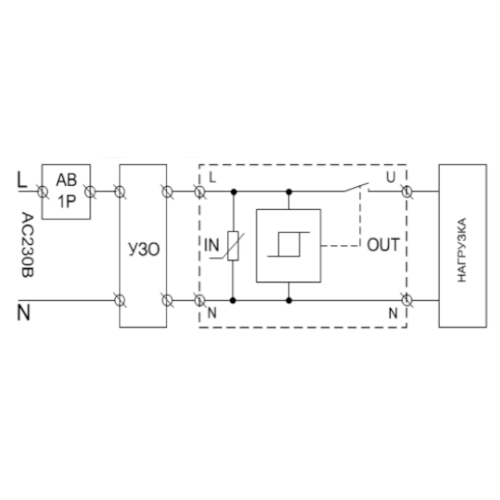
СХЕМА ПОДКЛЮЧЕНИЯ



УЗМ-51 УХЛ2 – Характеристики
Технические характеристики:
- Порог отключения нагрузки при повышении
напряжения, Uверх: 240, 250, 255, 260, 265, 270, 275, 280,
285, 290 ±3 В
- Верхний порог ускоренного отключения
нагрузки при повышении напряжения выше верхнего критического порога, Uверх.кр.:
300 ± 5 В;
- Порог отключения нагрузки при снижении
напряжения, Uниз: 210, 190, 175, 160, 150, 140, 130, 120,
110, 100 ±3 В;
- Порог ускоренного отключения нагрузки
при снижении напряжения ниже нижнего критического порога, Uниз.кр: 80 ± 10 В;
- Гистерезис возврата верхнего и нижнего
порога: 3%;
- Номинальное напряжение питания: 230 В;
- Частота напряжения питания: 50 Гц;
- Максимальное напряжение питания: 440 В;
- Потребляемая мощность, не более: 1,5 Вт;
- Потребление электроэнергии: 1,5 Вт/ч
- Номинальный ток нагрузки АС1 (активная):
63 А;
- Номинальная мощность нагрузки (при
AC230В): 14,5 кВт;
- Максимальный ток нагрузки (5 мин): 80 А;
- Максимальная мощность нагрузки (АС1
250В): 18,4 / 15,7 кВт;
- Ток перегрузки/время воздействия, без
сваривания контактов: 3000 А/10 мс;
- Ток короткого замыкания без разрушения:
6000 А;
- Время отключения нагрузки: U>
Uверх.кр 0,02 сек / U> Uверх. 0,1 сек / U <U низ. 10 сек / U <U низ.кр
0,5 сек;
- Задержка включения/повторного включения,
выбирается пользователем: 6 мин/10 сек;
- Задержка ускоренного отключения по
верхнему критическому порогу: 20 мс;
- Задержка ускоренного отключения по
нижнему критическому порогу: 100 мс;
- Задержка отключения при повышении
напряжения выше верхнего порога: 0,2 сек;
- Задержка отключения при снижении
напряжения ниже нижнего порога: 10 сек;
- Диапазон рабочих температур (по
исполнениям): -25…+55 (УХЛ4) 0С, -40…+55 (УХЛ2) 0С;
- Температура хранения: -40...+70 0С;
