СИМ-05т-5-17 АС230В УХЛ4 – Описание
Тахометр СИМ-05т-5-17 АС230В УХЛ4, управление нагрузкой двумя встроенными реле
- Напряжение питания АС230В или DC24В
- Измерение скорости вращения вала двигателя об/мин, режим расходомера
- Отображение перемещения до тысячных долей
- Подсчёт времени работы двигателя и количества пусков
- Управление нагрузкой двумя встроенными реле
- Сохранение результатов счёта времени при отключении питания
ВНИМАНИЕ: Счётчик предназначен для технологического контроля наработки оборудования. Счётчик не предназначен для коммерческого учёта.
НАЗНАЧЕНИЕ ТАХОМЕТРА
Счётчик импульсов (тахометр) СИМ-05т-5 предназначен для измерения и отображения на цифровом индикаторе скорости вращения вала двигателя в об/мин, а также для подсчёта суммарного времени вращения двигателя (время наработки) и числа включений (количество пусков). Когда скорость вращения двигателя становится равной нулю, подсчёт времени наработки приостанавливается. Результаты сохраняются в энергонезависимой памяти прибора при отключении электропитания. Время хранения информации не ограничено. Счётчик может использоваться также в качестве расходомера.
КОНСТРУКЦИЯ ТАХОМЕТРА
Счётчик монтируется на ровную поверхность (СИМ-05т-5-17) или в щит (СИМ-05т-5-09). Материал корпуса - ударопрочный полистирол. На лицевой панели расположены четыре кнопки управления и шести разрядный индикатор. У счётчика СИМ-05т-5-17 снизу корпуса расположены гермовводы для вывода проводов подключаемых к оборудованию. Для установки счётчика необходимо закрепить его с помощью винтов или шурупов в отверстия корпуса. У счётчика СИМ-05т-5-09 сзади расположены клеммные блоки для проводов подключаемых к оборудованию. Для установки счётчика необходимо вырезать в панели окно размерами 94х94мм, установить счётчик в окно, установить на боковые поверхности кронштейны крепления, входящие в комплект поставки, и винтами прижать устройство к панели.
В качестве внешних устройств могут быть использованы любые (оптические, индуктивные, ёмкостные или контактные) датчики, имеющие на выходе транзисторные NPN или PNP ключи с открытым коллектором, HTL-выход или сухой контакт. Подключение датчиков с различными типами выходов показано ниже.
![]() | ![]() | ![]() | ![]() |
РАБОТА ТАХОМЕТРА
Счётчик имеет два основных режима работы - рабочий режим и режим настройки. При подаче питания счётчик переходит в рабочий режим. По частоте следования импульсов от датчика, контролирующего одну или несколько меток на валу двигателя, производится вычисление скорости вращения вала (обороты в минуту) и отображение текущего значения на шестиразрядном индикаторе. В случае, когда измеренная скорость имеет значение большее чем возможно отобразить на индикаторе, включаются два левых вертикальных мигающих сегмента индикации, указывая на переполнение. Меню рабочего режима позволяет просмотреть время наработки двигателя и количества пусков. Количество задействованных разрядов индикатора, отведённых для индикации часов, минут и секунд, определяется количеством отработанных часов. На индикаторе разряды, отведённые для часов/минут/секунд, разделяются точками. По мере увеличения количества разрядов, занятых отсчитанными часами, местоположение разграничительных точек сдвигается вправо, что уменьшает количество младших разрядов, первоначально отведённых для индикации единиц секунд, десятков секунд, единиц минут и десятков минут.
В меню рабочего режима можно установить значения двух порогов скорости (ПОРОГ1 и ПОРОГ2) для управления двумя исполнительными реле соответственно (Реле1 и Реле2). Если порог имеет нулевое значение, то соответствующее реле не работает. При вводе PIN кода происходит переход в режим настройки, позволяющий корректировать параметры счётчика определяемые пользователем. Меню настроек иллюстрирует способ изменения параметров. Выход из меню настроек в меню рабочего режима происходит при удержании кнопки «
» течение 5 секунд.
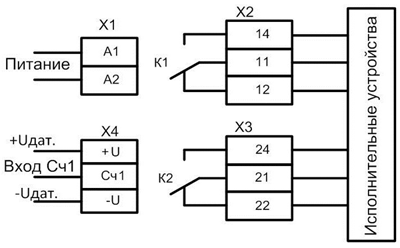
Схема подключения

|
Параметр
|
Ед.изм.
|
СИМ-05т-5-09
|
СИМ-05т-5-17
|
||
|
Напряжение питания
|
В
|
AC230
|
DC24
|
AC230
|
DC24
|
|
Максимальное потребление датчиков
|
мА
|
90
|
|||
|
Количество разрядов дисплея
|
|
6
|
|||
|
Максимальная частота входных импульсов (при скважности 2)
|
кГц
|
20
|
|||
|
Минимальная длительность входного сигнала
|
мкс
|
25
|
|||
|
Погрешность измерения скорости, не более
|
%
|
±0,1
|
|||
|
Максимальное время между импульсами
|
с
|
2,0...9,9
|
|||
|
Максимальная суммарная наработка
|
ч
|
до 999999
|
|||
|
Учёт количества пусков
|
|
до 999999
|
|||
|
Погрешность отсчёта времени, не более
|
%
|
±0,1
|
|||
|
Диапазон задания коэффициента пересчёта «множитель»
|
|
0,00001...9,99999
|
|||
|
Диапазон задания делителя счётного входа «делитель»
|
|
1...9999
|
|||
|
Диапазон задания скорости счета программный фильтр
|
с
|
0,000...9,999
|
|||
|
Количество входов (Сч1)
|
|
1
|
|||
|
Тип подключаемых датчиков (аппаратное согласование)
|
|
NPN, PNP, контактный датчик
|
|||
|
Уровень логического нуля «лог.0»
|
В
|
0...2
|
|||
|
Уровень логической единицы «лог.1»
|
В
|
8...15
|
|||
|
Габаритные размеры
|
мм
|
96х96х93
|
82х80х56
|
||
|
Размер окна индикации
|
мм
|
20х76
|
14х47
|
||
|
Высота цифры
|
мм
|
15
|
10
|
||
|
Степень защиты по корпусу/по клеммам
|
|
IP54/IP20
|
IP54/IP54
|
||
|
Климатическое исполнение и категория размещения по ГОСТ 15150-69 (без образования конденсата)
|
|
УХЛ4
|
|||
|
Диапазон рабочих температур
|
0C
|
-25...+55
|
|||
| Температура хранения | 0C | -40...+55 | |||
|
Помехоустойчивость от пачек импульсов в соответствии с ГОСТ Р 51317.4.4-99 (IEC/EN 61000-4-4)
|
уровень 3 (2кВ/5кГц) | ||||
|
Помехоустойчивость от перенапряжения в соответствии с ГОСТ Р 51317.4.5-99 (IEC/EN 61000-4-5)
|
уровень 3 (2кВ А1-А2) | ||||
| Степень загрязнения в соответствии с ГОСТ 9920-89 | 2 | ||||
| Относительная влажность воздуха | % | до 80 (при 250C) | |||
| Высота над уровнем моря | м | до 2000 | |||
|
Масса, не более
|
кг
|
0,4
|
0,35
|
||
| Рабочее положение в пространстве | произвольное | ||||
|
Режим работы
|
|
круглосуточный
|
|||
|
Срок хранения информации при отключённом питании
|
|
не ограничено
|
|||

![]() | При подаче питания реле 1 и реле 2 выключены. При увеличении скорости. По достижении порога 1 включается реле 1. По достижении порога 2 включается реле 2. При снижении скорости. По достижении порога 2 с учётом гистерезиса 2 выключается реле 2. По достижении порога 1 с учётом гистерезиса 1 выключается реле 1. |
![]() | При подаче питания реле 1 и реле 2 выключены. Реле 1 и реле 2 включаются при появлении входных импульсов. При увеличении скорости. По достижении порога 1 с учётом гистерезиса 1 выключается реле 1. По достижении порога 2 с учётом гистерезиса 2 выключается реле 2. При снижении скорости. По достижении порога 2 включается реле 2. По достижении порога 1 включается реле 1. Реле 1 и реле 2 выключаются при отсутствии входных импульсов. |
![]() | При подаче питания реле 1 и реле 2 выключены. Реле 1 включается при появлении входных импульсов. При увеличении скорости. По достижении порога 1 с учётом гистерезиса 1 выключается реле 1. По достижении порога 2 включается реле 2. При снижении скорости. По достижении порога 2 с учётом гистерезиса 2 выключается реле 2. По достижении порога 1 включается реле 1. Реле 1 выключается при отсутствии входных импульсов. |
![]() | При подаче питания реле 1 и реле 2 выключены. Реле 2 включается при появлении входных импульсов. При увеличении скорости. По достижении порога 1 включается реле 1. По достижении порога 2 с учётом гистерезиса 2 выключается реле 2. При снижении скорости. По достижении порога 2 включается реле 2. По достижении порога 1 с учётом гистерезиса 1 выключается реле 1. Реле 2 выключается при отсутствии входных импульсов. |
![]() | При подаче питания реле 1 и реле 2 включаются. При увеличении скорости. По достижении порога 1 с учётом гистерезиса 1 выключается реле 1. По достижении порога 2 с учётом гистерезиса 2 выключается реле 2. При снижении скорости. По достижении порога 2 включается реле 2. По достижении порога 1 включается реле 1. Реле 1 и реле 2 выключаются при снятии питания. |
![]() | При подаче питания реле 2 выключено реле 1 включается. При увеличении скорости. По достижении порога 1 с учётом гистерезиса 1 выключается реле 1. По достижении порога 2 включается реле 2. При снижении скорости. По достижении порога 2 с учётом гистерезиса 2 выключается реле 2. По достижении порога 1 включается реле 1. Реле 1 выключается при снятии питания. |
![]() | При подаче питания реле 1 выключено реле 2 включается. При увеличении скорости. По достижении порога 1 включается реле 1. По достижении порога 2 с учётом гистерезиса 2 выключается реле 2. При снижении скорости. По достижении порога 2 включается реле 2 По достижении порога 1 с учётом гистерезиса 1 выключается реле 1 Реле 2 выключается при снятии питания. |











