РТУ-2 ACDC24В УХЛ4 – Описание
Реле телеуправления РТУ-2 ACDC24В УХЛ4
Предназначено для применения в схемах телемеханики для управления двухпозиционным объектом. Имеет электрическую блокировку от одновременной подачи двух взаимоисключающих команд (вкл/откл). Реле имеет электрическую блокировку при управлении двумя взаимоисключающими потребителями. Возможно применение в схемах управления задвижками и др. двухпозиционными объектами. Находит широкое применение в схемах телемеханики метрополитена.
- Электрическая блокировка при управлении двумя взаимоисключающими потребителями
- Индикация рабочей линии
- 2 выходных реле 8А/250В
- Крепление на рейку-DIN или на ровную поверхность
- Корпус шириной 18мм
Конструкция:
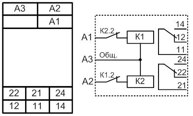
Реле выпускаются в унифицированном пластмассовом корпусе с передним присоединением проводов питания и коммутируемых электрических цепей. Крепление осуществляется на монтажную рейку-DIN шириной 35мм (ГОСТ Р МЭК 60715-2003) или на ровную поверхность. Для установки реле на ровную поверхность, замки необходимо раздвинуть. Конструкция клемм обеспечивает надѐжный зажим проводов сечением до 2,5мм2. На лицевой панели прибора расположены: желтый индикатор «К1» включения линии 1, желтый индикатор «К2» включения линии 2.
Принцип действия:
Управляющее питание подключается к клеммам А1, А2, А3 реле в соответствии со схемой. Выходные контакты реле подключаются к схеме управления. При включении К1 загорается соответствующий светодиод на лицевой панели, а выход К2 автоматически блокируется.
Технические характеристики реле РТУ-2:
| Параметр | Ед.изм. | ACDC24В | ACDC110В | ACDC230В |
| Напряжение питания | В | ACDC24 | ACDC110 | ACDC230 |
| Мощность потребляемая катушкой, не более | Вт | 2 | 2 | 2 |
| Время во включённом состоянии | не ограничено | |||
| Время включения реле, не более | мс | 25 | ||
| Время выключения реле, не более | мс | 50 | ||
| Количество и тип контактов | 2х1 переключающая группа | |||
| Максимальное коммутируемое напряжение | В | 250 | ||
| Максимальный коммутируемый ток: АС250В 50Гц (АС1)/DC30В (DC1) | В | 8 | ||
| Максимальная коммутируемая мощность: АС250В 50Гц (АС1)/DC30В (DC1) | ВА/Вт | 2000/240 | ||
| Электрическая прочность (питание - контакты) | В | АС2000 (50Гц - 1 минута) | ||
| Механическая износостойкость, не менее | циклов | 10х106 | ||
| Электрическая износостойкость, не менее | циклов | 100000 | ||
| Максимальная частота коммутаций, не более | цикл./час | 600 | ||
| Диапазон рабочих температур (по исполнениям) | 0С | -25…+55 (УХЛ4) -40…+55 (УХЛ2) | ||
| Температура хранения | 0С | -40...+70 | ||
| Климатическое исполнение и категория размещения по ГОСТ 15150-69 (без образования конденсата) | УХЛ2 или УХЛ4 | |||
| Степень защиты реле: по корпусу/по клеммам в соответствии с ГОСТ 14254-96 | IP40/IP20 | |||
| Степень загрязнения в соответствии с ГОСТ 9920-89 | 2 | |||
| Относительная влажность воздуха | % | до 80 (при 250С) | ||
| Рабочее положение в пространстве | произвольное | |||
| Режим работы | круглосуточный | |||
| Габаритные размеры | мм | 18х93х62 | ||
| Масса | кг | 0,08 | ||
