КМ-11 АС230В УХЛ4 – Описание
Особенности:
- Ток коммутации до 63 А
- Индикация состояния силового выхода
- Включение контакта с применением технологии «zero sync»™
- Настраиваемая задержка включения (для КМ-13) и выключения (для КМ-12)
- Ширина 1 DIN модуль (18 мм)
НАЗНАЧЕНИЕ:
Контакторы модульные типов КМ-11, КМ-12, КМ-13 (далее контактор) предназначены для гальванической развязки между силовыми цепями и цепями управления дистанционного включения нагрузки путём подачи управляющего напряжения на выводы А1 и А2 контактора.
КОНСТРУКЦИЯ:
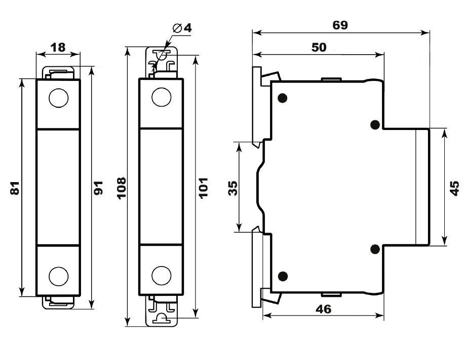
Контакторы выпускаются в унифицированном пластмассовом корпусе из не распространяющего горение полиамида (V0). Выводы управления выполнены в виде двух проводов НВ3-0,75 длиной 0,5 м. Вывод А1 коричневого цвета, вывод А2 синего цвета. Силовые клеммы с передним присоединением проводов коммутируемых электрических цепей туннельной конструкции обеспечивают надёжный зажим проводника сечением до 33 мм². Крепление осуществляется на монтажную рейку-DIN шириной 35 мм (ГОСТ Р МЭК 607 15-2003). На лицевой панели прибора расположен жёлтый индикатор состояния контакта. Габаритные размеры приведены на рисунке ниже.
ВНИМАНИЕ! В конструкции контактора применено поляризованное реле. При частом переключении (более 2 раз в секунду) силовые контакты могут остаться в замкнутом состоянии после снятия управляющего напряжения.
РАБОТА КОНТАКТОРА:
КМ-11 — аналог обычного однополюсного электромагнитного контактора. При подаче напряжения питания на управляющие выводы А1 и А2, силовой контакт замыкается, включается желтый индикатор. После снятия напряжения питания с управляющих выводов, силовой контакт размыкается, желтый индикатор выключается. КМ-12 — позволяет настроить задержку отключения при пропадании или просадке управляющего напряжения. При подаче напряжения питания на управляющие выводы А1 и А2, силовой контакт замыкается, включается желтый индикатор. После снятия напряжения с управляющих выводов начинается отсчет времени отключения (настраивается пользователем), желтый индикатор мигает, силовой контакт при этом остается замкнутым. По завершении отсчета силовой контакт размыкается, желтый индикатор выключается. Использование функции задержки отключения контактора, позволяет сохранить питание нагрузки при кратковременных пропаданиях или просадках сетевого напряжения на управляющих выводах А1 и А2. КМ-13 — позволяет настроить задержку включения при подаче управляющего питания. При подаче напряжения питания на управляющие выводы А1 и А2, начинается отсчет времени включения (настраивается пользователем), силовой контакт при этом остается разомкнутым. По завершении отсчета силовой контакт замыкается, включается желтый индикатор. После снятия напряжения с управляющих выводов силовой контакт размыкается, желтый индикатор выключается. Использование функции задержки включения контактора, позволяет разнести во времени пуск реактивных нагрузок с целью снижения мгновенных значений пускового тока. Модели контакторов с напряжением питания АС230В коммутируют контакт при абсолютном сетевом напряжении близком к нулю (технология zero sync™).





КМ-11 АС230В УХЛ4 – Характеристики
Технические характеристики:
- Напряжение питания исполнения AC: 184...253 В;
- Напряжение питания исполнения DC: 24±10% В;
- Потребляемая мощность, не более: 0,5 ВА/Вт;
- Время во включенном состоянии: не ограничено;
- Время включения, без дополнительной задержки: не более 200 мс;
- Задержка включения контактора не более 200 мс;
- Время выключения контактора: 0,06 сек;
- Количество / Тип контактов: 1NO (нормально открытый);
- Максимальный ток нагрузки АС1 (активная, резистивная): 63 A;
- Максимальный ток нагрузки АС3 (индуктивная, реактивная): 25 А;
- Максимальное коммутируемое напряжение: 250 В;
- Ток перегрузки / Время воздействия без сваривания контактов: 2000/10 А/мс;
- Ток короткого замыкания без разрушения реле: 3000 А;
- Механическая износостойкость, не менее: 10х106циклов;
- Электрическая износостойкость, не менее: 100000 циклов;
- Частота коммутаций, не более: 1 цикл/сек;
- Климатическое исполнение и категория размещения по ГОСТ 15150-69: УХЛ4 или УХЛ2 (без образования конденсата);
- Температура эксплуатации (по исполнениям): -25…+55 (УХЛ4) °С, -40…+55 (УХЛ2) °С;
- Температура хранения: -40…+70 °С;
- Помехоустойчивость от пачек импульсов в соответствии с ГОСТ Р 51317.4.4-99 (IEC/EN 61000-4-4): уровень 3 (2 кВ/5 кГц);
- Помехоустойчивость от перенапряжения в соответствии с ГОСТ Р 51317.4.5-99 (IEC/EN 61000-4-5): уровень 3 (2 кВ А1-А2);
- Степень защиты реле по корпусу / по клеммам по ГОСТ 14254-96: IP40 / IP20;
- Степень загрязнения в соответствии с ГОСТ 9920-89: 2;
- Относительная влажность воздуха: до 80 % (при 25 °С);
- Высота над уровнем моря: до 2000 м;
- Рабочее положение в пространстве: произвольное;
- Режим работы: круглосуточный;
- Сечение подключаемых проводников: 0.5...33 (20-2AWG) мм2;
- Габаритные размеры: 18 х 91 х 69 мм;
- Масса: 0,2 кг
